bg
BG EN




Бранд:
АртикулНаличностЦена
7 SEVEN PARTS SV03D0300IP заменими

спирачен диск

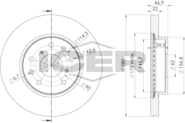
брой на дупките: 5вид на спирачния диск: вентилиранвисочина: 47mmвъншен диаметър: 280mmдебелина на спирачния диск: 22mmстрана на монтаж: предна ос
7 SEVEN PARTS SV03D0314IP заменими

спирачен диск

брой на дупките: 5вид на спирачния диск: плътенвисочина: 43,2mmвъншен диаметър: 278mmдебелина на спирачния диск: 9mmстрана на монтаж: задна ос
A.B.S. 17707 заменими

спирачен диск

страна на монтаж: предна осджанта: 5-дупкивид на спирачния диск: вентилиранвисочина: 47mmвъншен диаметър: 280mmдебелина на спирачния диск: 22mmГлавина Ø: 157mmДиаметър на кръговата стъпка Ø: 114,3mmмин. дебелина: 20mmповърхност: с покритиецентриращ диаметър: 62mm
A.B.S. 18078 заменими

спирачен диск

спирачна/динамика на движение: 1страна на монтаж: задна осджанта: 5-дупкивид на спирачния диск: плътенвисочина: 43,1mmвъншен диаметър: 278mmдебелина на спирачния диск: 9mmГлавина Ø: 180mmДиаметър на кръговата стъпка Ø: 114,3mmмин. дебелина: 8mmповърхност: с покритиецентриращ диаметър: 62mm
A.S.P. QualityTested DI820JM заменими

спирачен диск

брой на дупките: 5вид на спирачния диск: вентилиранвисочина: 47mmвъншен диаметър: 279mmсила на затягане (въртящ момент): 86Нютонметърдебелина на спирачния диск: 22mmза OE-номер: 5531180J03контролен знак за преглед: ECE R90 APPROVEDДиаметър на кръговата стъпка Ø: 62,1mmмин. дебелина: 20mmповърхност: боядисанстрана на монтаж: предна ос
A.S.P. QualityTested DP803JM заменими

спирачен диск

брой на дупките: 5вид на спирачния диск: плътенвисочина: 43mmвъншен диаметър: 278mmдебелина на спирачния диск: 9mmза OE-номер: 71768089Диаметър на кръговата стъпка Ø: 62mmмин. дебелина: 7mmповърхност: боядисанстрана на монтаж: задна ос
A.Z. Meisterteile AZMT-44-024-1316 заменими

спирачен диск

страна на монтаж: предна осброй на дупките: 5вид на спирачния диск: вентилиранвисочина: 47mmвъншен диаметър: 280mmсила на затягане (въртящ момент): 86Нютонметърдебелина на спирачния диск: 22mmдоп. артикул/доп. инфо. 2: с винтовеДиаметър на кръговата стъпка Ø: 114,3mmмин. дебелина: 20mmповърхност: омасленТип опаковка: кутияцентриращ диаметър: 62mm
A.Z. Meisterteile AZMT-44-024-1621 заменими

спирачен диск

номер на шаси (VIN): JSAстрана на монтаж: задна осстрана на производство на автомобила: 5брой/разположение на дупките: 05/07вид на спирачния диск: плътенвисочина: 43,1mmвъншен диаметър: 278mmвътрешен диаметър: 168mmдебелина на спирачния диск: 9mmØ отверстие за болт на джанта: 12,8mmдоп. артикул/доп. инфо. 2: без болтове за закрепване на колелатадоп. артикул/доп. инфо. 2: без колесен лагердоп. артикул/доп. инфо. 2: без колесна главинаДиаметър на кръговата стъпка Ø: 114,3mmмин. дебелина: 8mmцентриращ диаметър: 62mm
A.Z. Meisterteile AZMT-44-024-2405 заменими

спирачен диск

страна на монтаж: задна осброй на дупките: 5вид на спирачния диск: плътенвисочина: 43,3mmвъншен диаметър: 278mmдебелина на спирачния диск: 9mmДиаметър на кръговата стъпка Ø: 114,3mmмин. дебелина: 8mmмярка на резбата: 14,2повърхност: боядисанцвят: черенцентриращ диаметър: 62mm
ABAKUS 231-03-116 заменими

спирачен диск

страна на монтаж: предна осброй на дупките: 5вид на спирачния диск: вентилиранвисочина: 47mmвъншен диаметър: 280mmдебелина на спирачния диск: 22mmконтролен знак за преглед: ECE R90Диаметър на кръговата стъпка Ø: 114,3mmнеобходими бройки: 2центриращ диаметър: 62mm
ABAKUS 231-03-116-2 заменими

спирачен диск

страна на монтаж: предна осброй на дупките: 5вид на спирачния диск: вентилиранвисочина: 47mmвъншен диаметър: 280mmдебелина на спирачния диск: 22mmконтролен знак за преглед: ECE R90Диаметър на кръговата стъпка Ø: 114,3mmнеобходими бройки: 2центриращ диаметър: 62mm
ABE C38020ABE заменими

спирачен диск

брой на дупките: 5вид на спирачния диск: вентилиранвисочина: 47mmвъншен диаметър: 280mmдебелина на спирачния диск: 22mmДиаметър на кръговата стъпка Ø: 62mmмин. дебелина: 20mmстрана на монтаж: предна осцентриращ диаметър: 62mm
ABE C48002ABE заменими

спирачен диск

версия за държава: 5брой на дупките: 5вид на спирачния диск: плътенвисочина: 43,4mmвъншен диаметър: 278mmвътрешен диаметър: 169mmдебелина на спирачния диск: 9mmдоп. артикул/доп. инфо. 2: с винтовеДиаметър на кръговата стъпка Ø: 114,3mmмин. дебелина: 8mmповърхност: с покритиепреработка: необработенстрана на монтаж: задна осудовлетворява нормите на ЕИК: ECE-R90цвят: черенцентриращ диаметър: 62mm
ABTEX BD1413V заменими

спирачен диск

страна на монтаж: предна осброй на дупките за закрепване: 5вид на спирачния диск: вентилиранвисочина: 47mmвъншен диаметър: 280mmдебелина на спирачния диск: 22mmОтвор Ø: 12,7mmДиаметър на кръговата стъпка Ø: 114,3mmмин. дебелина: 20mmномер на артикул в чифта: ABC1379Lномер на артикул в чифта: ABC1379Rномер на артикул в чифта: PLU1345тегло: 6,14kgцентриращ диаметър: 62mm
AKRON-MAL? 1110890 заменими

спирачен диск

за OE-номер: 5561155L01за модела на серията: RW419Dза протопипа на типа: JTDстрана на монтаж: задна осброй на дупките: 5вид на спирачния диск: плътенвисочина: 43mmвъншен диаметър: 278mmдебелина на спирачния диск: 9mmмин. дебелина: 8mmцентриращ диаметър: 62mm
ALLIED NIPPON AND6325 заменими

спирачен диск

брой дупки на джанта: 5година на производство от: 200611страна на монтаж: предна осброй на дупките: 4брой на дупките: 5вид на спирачния диск: с вътрешно вентилираневисочина: 46,9mmвъншен диаметър: 280mmдебелина на спирачния диск: 22mmДиаметър на кръговата стъпка Ø: 114,3mmмин. дебелина: 20mmповърхност: с покритиецентриращ диаметър: 62mm
ALLIED NIPPON AND6912 заменими

спирачен диск

година на производство от: 200611страна на монтаж: задна осброй на дупките: 3брой на дупките: 5вид на спирачния диск: плътенвисочина: 43,1mmвъншен диаметър: 278mmдебелина на спирачния диск: 9mmДиаметър на кръговата стъпка Ø: 114,3mmмин. дебелина: 8mmповърхност: с покритиецентриращ диаметър: 62mm
ALTE AUTOMOTIVE 128089FCAL заменими

спирачен диск

брой на дупките: 9вид на спирачния диск: вентилиранвисочина: 46,9mmвъншен диаметър: 280mmдебелина на спирачния диск: 22mmОтвор Ø до: 12,7mmДиаметър на кръговата стъпка Ø: 114,3mmмин. дебелина: 20mmповърхност: с покритиестрана на монтаж: предна остегло: 4,67kgцентриращ диаметър: 62mm
ALTE AUTOMOTIVE 128956FCAL заменими

спирачен диск

брой на дупките: 5вид на спирачния диск: плътенвисочина: 43,6mmвъншен диаметър: 278mmдебелина на спирачния диск: 9mmОтвор Ø до: 14,25mmДиаметър на кръговата стъпка Ø: 114,3mmмин. дебелина: 8mmповърхност: с покритиестрана на монтаж: задна осцентриращ диаметър: 62mm
AP 15033 заменими

спирачен диск

страна на монтаж: задна осброй на дупките: 5вид на спирачния диск: плътенвисочина: 43mmвъншен диаметър: 278mmдебелина на спирачния диск: 9mmдоп. артикул/доп. инфо. 2: с винтовемин. дебелина: 8mmцентриращ диаметър: 62mm
AP 25109 E заменими

спирачен диск

страна на монтаж: предна осброй на дупките: 5вид на спирачния диск: с вътрешно вентилираневисочина: 47mmвъншен диаметър: 280mmсила на затягане (въртящ момент): 86Нютонметърдебелина на спирачния диск: 22mmдоп. артикул/доп. инфо. 2: с винтовемин. дебелина: 20mmцентриращ диаметър: 62mm
AP 25109 V заменими

спирачен диск

страна на монтаж: предна осброй на дупките: 5вид на спирачния диск: с вътрешно вентилираневисочина: 47mmвъншен диаметър: 280mmсила на затягане (въртящ момент): 86Нютонметърдебелина на спирачния диск: 22mmдоп. артикул/доп. инфо. 2: с винтовемин. дебелина: 20mmповърхност: с покритиецентриращ диаметър: 62mm
ASAM AUTOMOTIVE 102128 заменими

спирачен диск

брой на дупките: 5вид на спирачния диск: вентилиранвисочина: 47mmвъншен диаметър: 280mmдебелина на спирачния диск: 22mmØ отверстие за болт на джанта: 12,7mmза OE-номер: 71742850Диаметър на кръговата стъпка Ø: 114,3mmстрана на монтаж: предна осцентриращ диаметър: 62mm
ASHIKA 60-08-820C заменими

спирачен диск

брой на дупките: 5вид на спирачния диск: вентилиранвисочина: 47mmвъншен диаметър: 279mmсила на затягане (въртящ момент): 86Нютонметърдебелина на спирачния диск: 22mmза OE-номер: 5531180J03контролен знак за преглед: ECE R90 APPROVEDДиаметър на кръговата стъпка Ø: 62,1mmмин. дебелина: 20mmповърхност: боядисанстрана на монтаж: предна ос
ASHIKA 61-08-803C заменими

спирачен диск

брой на дупките: 5вид на спирачния диск: плътенвисочина: 43mmвъншен диаметър: 278mmдебелина на спирачния диск: 9mmза OE-номер: 71768089Диаметър на кръговата стъпка Ø: 62mmмин. дебелина: 7mmповърхност: боядисанстрана на монтаж: задна ос
ASHUKI by Palidium K016-40 заменими

спирачен диск

страна на монтаж: предна осброй на дупките: 5вид на спирачния диск: вентилиранвисочина: 47mmвъншен диаметър: 280mmдебелина на спирачния диск: 22mmДиаметър на кръговата стъпка Ø: 114,3mmмин. дебелина: 20mmцентриращ диаметър: 62mm
ASHUKI by Palidium K016-43 заменими

спирачен диск

страна на монтаж: задна осброй на дупките: 5вид на спирачния диск: плътенвисочина: 43mmвъншен диаметър: 278mmдебелина на спирачния диск: 9mmДиаметър на кръговата стъпка Ø: 114,3mmмин. дебелина: 8mmцентриращ диаметър: 62mm
ATE 24.0109-0167.1 заменими

спирачен диск

страна на монтаж: задна осброй на дупките: 5вид на спирачния диск: плътенвисочина: 43,2mmвъншен диаметър: 278,0mmвътрешен диаметър: 169,0mmдебелина на спирачния диск: 9,0mmОтвор Ø: 14,0mmконтролен знак за преглед: E1 90R-02C0165/0471Диаметър на кръговата стъпка Ø: 114,3mmмин. дебелина: 8,0mmповърхност: с покритиецентриращ диаметър: 62,0mm
ATE 24.0122-0252.1 заменими

спирачен диск

страна на монтаж: предна осброй на дупките: 5вид на спирачния диск: вентилиранвисочина: 47,0mmвъншен диаметър: 280,0mmвътрешен диаметър: 146,3mmдебелина на спирачния диск: 22,0mmОтвор Ø: 12,7mmконтролен знак за преглед: E1 90R-02C0115/0232Диаметър на кръговата стъпка Ø: 114,3mmмин. дебелина: 20,0mmповърхност: с покритиецентриращ диаметър: 62,0mm
BENDIX Braking BDS1204 заменими

спирачен диск

номер на шаси (VIN): TSMстрана на монтаж: предна осстрана на производство на автомобила: 3брой/разположение на дупките: 05/09вид на спирачния диск: с вътрешно вентилираневисочина: 47mmвисочина на опаковка: 6,5смвъншен диаметър: 280mmвътрешен диаметър: 146,2mmдебелина на спирачния диск: 22mmØ отверстие за болт на джанта: 12,7mmдоп. артикул/доп. инфо. 2: без болтове за закрепване на колелатадоп. артикул/доп. инфо. 2: без колесен лагердоп. артикул/доп. инфо. 2: без колесна главинаДължина на опаковка: 29,3смДиаметър на кръговата стъпка Ø: 114,3mmмин. дебелина: 20mmтегло: 5,8kgцентриращ диаметър: 62mmопаковачна широчина: 29,3см
BENDIX Braking BDS1841 заменими

спирачен диск

номер на шаси (VIN): TSMстрана на монтаж: задна осстрана на производство на автомобила: 3брой/разположение на дупките: 05/08вид на спирачния диск: плътенвисочина: 43,3mmвисочина на опаковка: 6,5смвъншен диаметър: 278mmвътрешен диаметър: 169mmдебелина на спирачния диск: 9mmØ отверстие за болт на джанта: 14,2mmдоп. артикул/доп. инфо. 2: без болтове за закрепване на колелатадоп. артикул/доп. инфо. 2: без колесен лагердоп. артикул/доп. инфо. 2: без колесна главинаДължина на опаковка: 29,3смДиаметър на кръговата стъпка Ø: 114,3mmмин. дебелина: 8mmповърхност: с покритиетегло: 4kgцентриращ диаметър: 62mmопаковачна широчина: 29,3см
BENDIX Braking BDS1843 заменими

спирачен диск

номер на шаси (VIN): JSAстрана на монтаж: задна осстрана на производство на автомобила: 5брой/разположение на дупките: 05/07вид на спирачния диск: плътенвисочина: 43,1mmвисочина на опаковка: 6,5смвъншен диаметър: 278mmвътрешен диаметър: 168mmдебелина на спирачния диск: 9mmØ отверстие за болт на джанта: 12,8mmдоп. артикул/доп. инфо. 2: без болтове за закрепване на колелатадоп. артикул/доп. инфо. 2: без колесен лагердоп. артикул/доп. инфо. 2: без колесна главинаДължина на опаковка: 29,3смДиаметър на кръговата стъпка Ø: 114,3mmмин. дебелина: 8mmтегло: 4,2kgцентриращ диаметър: 62mmопаковачна широчина: 29,3см
BENDIX Braking BDS1940 заменими

спирачен диск

номер на шаси (VIN): JSAстрана на монтаж: предна осстрана на производство на автомобила: 5брой/разположение на дупките: 05/07вид на спирачния диск: с вътрешно вентилираневисочина: 47mmвисочина на опаковка: 6,5смвъншен диаметър: 280mmвътрешен диаметър: 146mmдебелина на спирачния диск: 22mmØ отверстие за болт на джанта: 12,7mmдоп. артикул/доп. инфо. 2: без болтове за закрепване на колелатадоп. артикул/доп. инфо. 2: без колесен лагердоп. артикул/доп. инфо. 2: без колесна главинаДължина на опаковка: 29,3смДиаметър на кръговата стъпка Ø: 114,3mmмин. дебелина: 20mmтегло: 5,5kgцентриращ диаметър: 62mmопаковачна широчина: 29,3см
BLUE PRINT ADK84326 заменими

спирачен диск

джанта: 5-дупкиброй на дупките за закрепване: 2вид на спирачния диск: с вътрешно вентилираневъншен диаметър: 280mmдебелина: 47mmдебелина на спирачния диск: 22mmДиаметър на кръговата стъпка Ø: 114mmмин. дебелина: 20mmповърхност: с покритиестрана на монтаж: предна осцентриращ диаметър: 62mm
BLUE PRINT ADK84335 заменими

спирачен диск

джанта: 5-дупкиброй на дупките за закрепване: 3вид на спирачния диск: плътенвъншен диаметър: 278mmдебелина: 43mmдебелина на спирачния диск: 9mmза OE-номер: 55611-55L01Диаметър на кръговата стъпка Ø: 114mmмин. дебелина: 8mmповърхност: с покритиестрана на монтаж: задна осцентриращ диаметър: 62mm
BÖLK BOL-D011684 заменими

спирачен диск

година на производство до: 201012страна на монтаж: предна осброй на дупките: 5вид на спирачния диск: вентилиранвисочина: 47mmвъншен диаметър: 279mmдебелина на спирачния диск: 22mmдоп. артикул/доп. инфо. 2: без сензорен пръстен за ABSмин. дебелина: 20mmцентриращ диаметър: 62,1mm
BORG & BECK BBD4614 заменими

спирачен диск

година на производство от: 200610страна на монтаж: предна осброй на дупките: 5брой на дупките за закрепване: 4вид на спирачния диск: вентилиранвисочина: 47mmвъншен диаметър: 280mmдебелина на спирачния диск: 22mmединица-мярка за количество: комплектконтролен знак за преглед: ECE R90 Homologatedмин. дебелина: 20mmповърхност: с покритиецентриращ диаметър: 62mm
BOSCH 0 986 479 403 заменими

спирачен диск

година на производство до: 200908страна на монтаж: предна осброй на дупките: 5вид на спирачния диск: вентилиранвисочина: 47mmвъншен диаметър: 280mmдебелина на спирачния диск: 22mmОтвор Ø до: 12,6mmдоп. артикул/доп. инфо. 2: с винтовеДиаметър на кръговата стъпка Ø: 114,3mmмин. дебелина: 20mmповърхност: омасленудовлетворява нормите на ЕИК: ECE-R90центриращ диаметър: 62mm
BRECO BS 6025 заменими

спирачен диск

страна на монтаж: задна осброй на дупките: 5вид на спирачния диск: плътенвисочина: 43mmвъншен диаметър: 278mmдебелина на спирачния диск: 9mmдоп. артикул/доп. инфо. 2: с винтовемин. дебелина: 8mmцентриращ диаметър: 62mm
BRECO BS 8718 заменими

спирачен диск

страна на монтаж: предна осброй на дупките: 5вид на спирачния диск: с вътрешно вентилираневисочина: 47mmвъншен диаметър: 280mmсила на затягане (въртящ момент): 86Нютонметърдебелина на спирачния диск: 22mmдоп. артикул/доп. инфо. 2: с винтовемин. дебелина: 20mmцентриращ диаметър: 62mm
BRECO BV 8718 заменими

спирачен диск

страна на монтаж: предна осброй на дупките: 5вид на спирачния диск: с вътрешно вентилираневисочина: 47mmвъншен диаметър: 280mmсила на затягане (въртящ момент): 86Нютонметърдебелина на спирачния диск: 22mmдоп. артикул/доп. инфо. 2: с винтовемин. дебелина: 20mmповърхност: с покритиецентриращ диаметър: 62mm
BREMBO 08.B557.10 заменими

спирачен диск

страна на монтаж: задна осброй на дупките: 5вид на спирачния диск: плътенвисочина: 43mmвъншен диаметър: 278mmдебелина на спирачния диск: 9mmдоп. артикул/доп. инфо. 2: с винтовемин. дебелина: 8mmцентриращ диаметър: 62mm
BREMBO 09.A296.11 заменими

спирачен диск

страна на монтаж: предна осброй на дупките: 5вид на спирачния диск: с вътрешно вентилираневисочина: 47mmвъншен диаметър: 280mmсила на затягане (въртящ момент): 86Нютонметърдебелина на спирачния диск: 22mmдоп. артикул/доп. инфо. 2: с винтовемин. дебелина: 20mmповърхност: с покритиецентриращ диаметър: 62mm
BREMBO 09.A296.14 заменими

спирачен диск

страна на монтаж: предна осброй на дупките: 5вид на спирачния диск: с вътрешно вентилираневисочина: 47mmвъншен диаметър: 280mmсила на затягане (въртящ момент): 86Нютонметърдебелина на спирачния диск: 22mmдоп. артикул/доп. инфо. 2: с винтовемин. дебелина: 20mmцентриращ диаметър: 62mm
BREMSI CD7620V заменими

спирачен диск

брой на дупките: 5вид на спирачния диск: вентилиранвъншен диаметър: 280mmсила на затягане (въртящ момент): 12Нютонметърдебелина на спирачния диск: 22mmмин. дебелина: 20mmповърхност: боядисанстрана на монтаж: предна осцвят: черен
BREMSI CD8075S заменими

спирачен диск

брой на дупките: 5вид на спирачния диск: плътенвисочина: 43,3mmвъншен диаметър: 278mmдебелина на спирачния диск: 9mmОтвор Ø: 62mmмин. дебелина: 8mmстрана на монтаж: задна осцентриращ диаметър: 62mm
Burig B010381 заменими

спирачен диск

страна на монтаж: предна осстрана на производство на автомобила: 3брой на дупките: 5вид на спирачния диск: вентилиранвисочина: 47mmвъншен диаметър: 280mmдебелина на спирачния диск: 22mmДиаметър на кръговата стъпка Ø: 114mmцентриращ диаметър: 62mm
Burig B010781 заменими

спирачен диск

страна на монтаж: задна осстрана на производство на автомобила: 3брой на дупките: 5вид на спирачния диск: плътенвисочина: 43mmвъншен диаметър: 278mmдебелина на спирачния диск: 9mmДиаметър на кръговата стъпка Ø: 114mmцентриращ диаметър: 62mm
Burig B010938 заменими

спирачен диск

страна на монтаж: задна осстрана на производство на автомобила: 5брой на дупките: 5вид на спирачния диск: плътенвисочина: 43mmвъншен диаметър: 278mmдебелина на спирачния диск: 9mmДиаметър на кръговата стъпка Ø: 114mmцентриращ диаметър: 62mm
Burig B011220 заменими

спирачен диск

страна на монтаж: предна осстрана на производство на автомобила: 5брой на дупките: 5вид на спирачния диск: вентилиранвисочина: 47mmвъншен диаметър: 280mmдебелина на спирачния диск: 22mmДиаметър на кръговата стъпка Ø: 114mmцентриращ диаметър: 62mm
CAR 142.1191 заменими

спирачен диск

страна на монтаж: предна осброй на дупките: 5вид на спирачния диск: плътенвисочина: 47mmвъншен диаметър: 280mmдебелина на спирачния диск: 22mmконтролен знак за преглед: ECE R90 APPROVEDмин. дебелина: 20mmстрана на монтаж: 1. преден мосттегло: 5,85kgцентриращ диаметър: 62mm
CAR 142.1730 заменими

спирачен диск

страна на монтаж: задна осброй на дупките: 5вид на спирачния диск: плътенвисочина: 43,2mmвъншен диаметър: 278mmдебелина на спирачния диск: 9mmконтролен знак за преглед: ECE R90 APPROVEDмин. дебелина: 8mmстрана на монтаж: 1. заден мосттегло: 4,1kgцентриращ диаметър: 62mm
CAR HPD 1191 заменими

спирачен диск

страна на монтаж: предна осброй на дупките: 5вид на спирачния диск: плътенвисочина: 47mmвъншен диаметър: 280mmдебелина на спирачния диск: 22mmконтролен знак за преглед: ECE R90 APPROVEDмин. дебелина: 20mmстрана на монтаж: 1. преден мосттегло: 5,67kgцентриращ диаметър: 62mm
CHAMPION 562534CH заменими

спирачен диск

страна на монтаж: предна осброй на дупките: 5вид на спирачния диск: вентилиранвисочина: 47mmвисочина на опаковка: 9,8смвъншен диаметър: 280mmсила на затягане (въртящ момент): 86Нютонметърдебелина на спирачния диск: 22mmдоп. артикул/доп. инфо. 2: без винтовеДължина на опаковка: 28,1смединица-мярка за количество: комплектДиаметър на кръговата стъпка Ø: 114,3mmмин. дебелина: 20mmтегло: 12,26kgТип опаковка: кутияцентриращ диаметър: 62mmопаковачна широчина: 28,1см
CIFAM 800-1398C заменими

спирачен диск

страна на монтаж: задна осброй на дупките: 5вид на спирачния диск: плътенвисочина: 43,0mmвъншен диаметър: 278,0mmдебелина на спирачния диск: 9,0mmконтролен знак за преглед: ECE-R90повърхност: боядисанцентриращ диаметър: 62,0mm
CIFAM 800-895C заменими

спирачен диск

страна на монтаж: предна осстрана на производство на автомобила: 3брой на дупките: 5вид на спирачния диск: вентилиранвисочина: 47,0mmвъншен диаметър: 280,0mmдебелина на спирачния диск: 22,0mmконтролен знак за преглед: ECE-R90повърхност: боядисанцентриращ диаметър: 62,0mm
COMLINE ADC0930 заменими

спирачен диск

година на производство от: 200611страна на монтаж: задна осброй на дупките: 3брой на дупките: 5вид на спирачния диск: плътенвисочина: 43,1mmвъншен диаметър: 278mmдебелина на спирачния диск: 9mmДиаметър на кръговата стъпка Ø: 114,3mmмин. дебелина: 8mmцентриращ диаметър: 62mm
COMLINE ADC1830V заменими

спирачен диск

брой дупки на джанта: 5година на производство от: 200611страна на монтаж: предна осброй на дупките: 4брой на дупките: 5вид на спирачния диск: с вътрешно вентилираневисочина: 46,9mmвъншен диаметър: 280mmдебелина на спирачния диск: 22mmДиаметър на кръговата стъпка Ø: 114,3mmмин. дебелина: 20mmповърхност: с покритиецентриращ диаметър: 62mm
DACO Germany 600907 заменими

спирачен диск

страна на монтаж: предна осброй на дупките: 5вид на спирачния диск: вентилиранвисочина: 47mmвъншен диаметър: 280mmдебелина на спирачния диск: 22mmмин. дебелина: 20mmмярка на резбата: 12,7центриращ диаметър: 62mm
DACO Germany 603709 заменими

спирачен диск

страна на монтаж: задна осброй на дупките: 5вид на спирачния диск: плътенвисочина: 43,3mmвъншен диаметър: 278mmдебелина на спирачния диск: 9mmмин. дебелина: 8mmмярка на резбата: 14,2центриращ диаметър: 62mm
DANAHER DR10452 заменими

спирачен диск

брой на дупките: 5вид на спирачния диск: плътенвисочина: 62,2mmвъншен диаметър: 292mmдебелина на спирачния диск: 9mmстрана на монтаж: задна осцентриращ диаметър: 68mm
DANAHER DR10638 заменими

спирачен диск

брой на дупките: 5вид на спирачния диск: плътенвисочина: 43,1mmвъншен диаметър: 278mmдебелина на спирачния диск: 9mmстрана на монтаж: задна осцентриращ диаметър: 62mm
DANAHER DR10780 заменими

спирачен диск

брой на дупките: 5вид на спирачния диск: плътенвисочина: 43,4mmвъншен диаметър: 278mmдебелина на спирачния диск: 9mmстрана на монтаж: задна осцентриращ диаметър: 62mm
DANAHER DR11716 заменими

спирачен диск

брой на дупките: 5вид на спирачния диск: вентилиранвисочина: 46,9mmвъншен диаметър: 280mmдебелина на спирачния диск: 22mmстрана на монтаж: предна осцентриращ диаметър: 62mm
DANAHER DR13618 заменими

спирачен диск

брой на дупките: 5вид на спирачния диск: вентилиранвисочина: 47mmвъншен диаметър: 280mmдебелина на спирачния диск: 22mmстрана на монтаж: предна осцентриращ диаметър: 62mm
DANBLOCK DB 521542 заменими

спирачен диск

година на производство до: 201012страна на монтаж: предна осброй на дупките: 5вид на спирачния диск: вентилиранвисочина: 46,9mmвъншен диаметър: 280mmдебелина на спирачния диск: 22mmцентриращ диаметър: 62mm
DAVID VASCO T4741 заменими

спирачен диск

брой на дупките: 5вид на спирачния диск: вентилиранвисочина: 47mmвъншен диаметър: 280mmдебелина на спирачния диск: 22mmДиаметър на кръговата стъпка Ø: 114mmстрана на монтаж: предна остегло: 5,86kgцентриращ диаметър: 62mm
DELPHI BG4093 заменими

спирачен диск

страна на монтаж: предна осброй на дупките: 5вид на спирачния диск: вентилиранвисочина: 47mmвъншен диаметър: 280mmдебелина на спирачния диск: 22mmмин. дебелина: 20mmповърхност: омасленцентриращ диаметър: 62mm
DELPHI BG4093C заменими

спирачен диск

страна на монтаж: предна осброй на дупките: 5вид на спирачния диск: вентилиранвисочина: 47mmвъншен диаметър: 280mmдебелина на спирачния диск: 22mmконтролен знак за преглед: E1 90R-02C0957/2551мин. дебелина: 20mmповърхност: с покритиецентриращ диаметър: 62mm
DELPHI BG4222 заменими

спирачен диск

страна на монтаж: задна осброй на дупките: 5вид на спирачния диск: плътенвисочина: 43,5mmвъншен диаметър: 278mmдебелина на спирачния диск: 9mmконтролен знак за преглед: E1 90R-02C0100/1555мин. дебелина: 8mmповърхност: омасленцентриращ диаметър: 62mm
DENCKERMANN B130428 заменими

спирачен диск

страна на монтаж: предна осброй на дупките: 5вид на спирачния диск: вентилиранвисочина: 47mmвъншен диаметър: 280mmвътрешен диаметър: 146,3mmдебелина на спирачния диск: 22mmОтвор Ø: 12,7mmДиаметър на кръговата стъпка Ø: 114,3mmмин. дебелина: 20mmцентриращ диаметър: 62mm
DENCKERMANN B130760 заменими

спирачен диск

страна на монтаж: задна осброй на дупките: 5вид на спирачния диск: плътенвисочина: 43,2mmвъншен диаметър: 278mmвътрешен диаметър: 169mmдебелина на спирачния диск: 9mmОтвор Ø: 14mmДиаметър на кръговата стъпка Ø: 114,3mmмин. дебелина: 8mmцентриращ диаметър: 62mm
DJ PARTS BD2630 заменими

спирачен диск

страна на монтаж: предна осброй на дупките: 5вид на спирачния диск: вентилиранвисочина: 47,0mmдебелина на спирачния диск: 22mmØ: 280mmДиаметър на кръговата стъпка Ø: 114,3mmмин. дебелина: 20mmмярка на резбата: 12,7повърхност: боядисанцвят: черенцентриращ диаметър: 62,0mm
DJ PARTS BD2966 заменими

спирачен диск

страна на монтаж: задна осброй на дупките: 5вид на спирачния диск: плътенвисочина: 43,3mmдебелина на спирачния диск: 9mmØ: 278mmДиаметър на кръговата стъпка Ø: 114,3mmмин. дебелина: 8mmмярка на резбата: 14,2повърхност: боядисанцвят: черенцентриращ диаметър: 62mm
DON PCD11512 заменими

спирачен диск

номер на шаси (VIN): TSMстрана на монтаж: предна осстрана на производство на автомобила: 3брой/разположение на дупките: 05/09вид на спирачния диск: с вътрешно вентилираневисочина: 47mmвисочина на опаковка: 12,2смвъншен диаметър: 280mmвътрешен диаметър: 146,2mmдебелина на спирачния диск: 22mmØ отверстие за болт на джанта: 12,7mmдоп. артикул/доп. инфо. 2: без болтове за закрепване на колелатадоп. артикул/доп. инфо. 2: без колесен лагердоп. артикул/доп. инфо. 2: без колесна главинаДължина на опаковка: 31,5смДиаметър на кръговата стъпка Ø: 114,3mmмин. дебелина: 20mmповърхност: с частично покритиетегло: 5,8kgцентриращ диаметър: 62mmопаковачна широчина: 31,5см
DON PCD14452 заменими

спирачен диск

номер на шаси (VIN): JSAстрана на монтаж: задна осстрана на производство на автомобила: 5брой/разположение на дупките: 05/07вид на спирачния диск: плътенвисочина: 43,1mmвисочина на опаковка: 10,2смвъншен диаметър: 278mmвътрешен диаметър: 168mmдебелина на спирачния диск: 9mmØ отверстие за болт на джанта: 12,8mmдоп. артикул/доп. инфо. 2: без болтове за закрепване на колелатадоп. артикул/доп. инфо. 2: без колесен лагердоп. артикул/доп. инфо. 2: без колесна главинаДължина на опаковка: 29,9смДиаметър на кръговата стъпка Ø: 114,3mmмин. дебелина: 8mmповърхност: с частично покритиетегло: 4,2kgцентриращ диаметър: 62mmопаковачна широчина: 29,9см
DON PCD15472 заменими

спирачен диск

номер на шаси (VIN): JSAстрана на монтаж: предна осстрана на производство на автомобила: 5брой/разположение на дупките: 05/07вид на спирачния диск: с вътрешно вентилираневисочина: 47mmвисочина на опаковка: 12,2смвъншен диаметър: 280mmвътрешен диаметър: 146mmдебелина на спирачния диск: 22mmØ отверстие за болт на джанта: 12,7mmдоп. артикул/доп. инфо. 2: без болтове за закрепване на колелатадоп. артикул/доп. инфо. 2: без колесен лагердоп. артикул/доп. инфо. 2: без колесна главинаДължина на опаковка: 31,5смДиаметър на кръговата стъпка Ø: 114,3mmмин. дебелина: 20mmповърхност: с частично покритиетегло: 5,5kgцентриращ диаметър: 62mmопаковачна широчина: 31,5см
DON PCD20992 заменими

спирачен диск

номер на шаси (VIN): TSMстрана на монтаж: задна осстрана на производство на автомобила: 3брой/разположение на дупките: 05/08вид на спирачния диск: плътенвисочина: 43,3mmвисочина на опаковка: 10,2смвъншен диаметър: 278mmвътрешен диаметър: 169mmдебелина на спирачния диск: 9mmØ отверстие за болт на джанта: 14,2mmдоп. артикул/доп. инфо. 2: без болтове за закрепване на колелатадоп. артикул/доп. инфо. 2: без колесен лагердоп. артикул/доп. инфо. 2: без колесна главинаДължина на опаковка: 29,9смДиаметър на кръговата стъпка Ø: 114,3mmмин. дебелина: 8mmповърхност: с частично покритиетегло: 4kgцентриращ диаметър: 62mmопаковачна широчина: 29,9см
DR!VE+ DP1010.11.0547 заменими

спирачен диск

джанта: 5-дупкиброй на дупките: 2брой на дупките 1: 2вид на спирачния диск: вентилиранвисочина: 47mmвъншен диаметър: 280mmдебелина на спирачния диск: 22mmмин. дебелина: 20mmстрана на монтаж: предна осцентриращ диаметър: 62mm
EBC Brakes D1538 заменими

спирачен диск

страна на монтаж: предна осброй на дупките: 5вид на спирачния диск: вентилиранвисочина: 47mmвъншен диаметър: 280mmдебелина на спирачния диск: 20mmдебелина на спирачния диск: 22mmматериал: чугун
EGT 410531cEGT заменими

спирачен диск

страна на монтаж: предна осджанта: 5-дупкивид на спирачния диск: вентилиранвисочина: 47mmвъншен диаметър: 279,6mmдебелина на спирачния диск: 22mmГлавина Ø: 62mmØ отверстие за болт на джанта: 114,3mmмин. дебелина: 20mmповърхност: с покритие
EGT 410531EGT заменими

спирачен диск

страна на монтаж: предна осджанта: 5-дупкивид на спирачния диск: вентилиранвисочина: 47mmвъншен диаметър: 279,6mmдебелина на спирачния диск: 22mmГлавина Ø: 62mmØ отверстие за болт на джанта: 114,3mmмин. дебелина: 20mmповърхност: с покритие
EUROBRAKE 5815205218 заменими

спирачен диск

страна на монтаж: предна осджанта: 5-дупкивид на спирачния диск: вентилиранвисочина: 47mmвъншен диаметър: 280mmдебелина на спирачния диск: 22mmмин. дебелина: 20mmнето тегло: 5,86kgповърхност: омасленцентриращ диаметър: 61,9mm
EUROBRAKE 5815205223 заменими

спирачен диск

страна на монтаж: задна осджанта: 5-дупкивид на спирачния диск: плътенвисочина: 43,4mmвъншен диаметър: 278mmдебелина на спирачния диск: 9mmмин. дебелина: 8mmнето тегло: 4,04kgповърхност: омасленцентриращ диаметър: 62mm
EUROBRAKE 5815315218 заменими

спирачен диск

страна на монтаж: предна осджанта: 5-дупкивид на спирачния диск: вентилиранвисочина: 47mmвъншен диаметър: 280mmдебелина на спирачния диск: 22mmмин. дебелина: 20mmнето тегло: 5,86kgповърхност: с покритиецентриращ диаметър: 61,9mm
EUROBRAKE 5815315223 заменими

спирачен диск

страна на монтаж: задна осджанта: 5-дупкивид на спирачния диск: плътенвисочина: 43,4mmвъншен диаметър: 278mmдебелина на спирачния диск: 9mmмин. дебелина: 8mmнето тегло: 4,04kgповърхност: с покритиецентриращ диаметър: 62mm
EUROREPAR 1622806180 заменими

спирачен диск

година на производство до: 201012страна на монтаж: задна осброй на дупките: 5вид на спирачния диск: плътенвисочина: 43,3mmвъншен диаметър: 278mmдебелина на спирачния диск: 9mmдоп. артикул/доп. инфо. 2: без сензорен пръстен за ABSДиаметър на кръговата стъпка Ø: 114,3mmмин. дебелина: 8mmцентриращ диаметър: 62mm
EUROREPAR 1622807480 заменими

спирачен диск

година на производство до: 201012страна на монтаж: предна осброй на дупките: 5вид на спирачния диск: вентилиранвисочина: 47mmвъншен диаметър: 279mmдебелина на спирачния диск: 22mmдоп. артикул/доп. инфо. 2: без сензорен пръстен за ABSмин. дебелина: 20mmцентриращ диаметър: 62,1mm
FAI AutoParts BD459 заменими

спирачен диск

страна на монтаж: предна осброй на дупките: 5вид на спирачния диск: вентилиранвисочина: 47mmвъншен диаметър: 280mmдебелина на спирачния диск: 22mmмин. дебелина: 20mmнеобходими бройки: 2повърхност: с покритиецентриращ диаметър: 62mm
FAI AutoParts FPBD1352 заменими

спирачен диск

страна на монтаж: предна осброй на дупките: 5вид на спирачния диск: вентилиранвисочина: 47mmвъншен диаметър: 280mmдебелина на спирачния диск: 22mmмин. дебелина: 20mmповърхност: с покритиецентриращ диаметър: 62mm
FEBI BILSTEIN 108495 заменими

спирачен диск

джанта: 5-дупкиброй на дупките за закрепване: 3вид на спирачния диск: плътенвъншен диаметър: 278mmдебелина: 43mmдебелина на спирачния диск: 9mmза OE-номер: 55611-55L01Диаметър на кръговата стъпка Ø: 114,3mmмин. дебелина: 8mmповърхност: с покритиестрана на монтаж: задна осцентриращ диаметър: 62mm
FEBI BILSTEIN 29310 заменими

спирачен диск

джанта: 5-дупкиброй на дупките за закрепване: 2вид на спирачния диск: с вътрешно вентилираневъншен диаметър: 280mmдебелина: 47mmдебелина на спирачния диск: 22mmДиаметър на кръговата стъпка Ø: 114,3mmмин. дебелина: 20mmповърхност: с покритиестрана на монтаж: предна осцентриращ диаметър: 62mm
FENOX TB219206 заменими

спирачен диск

брой на дупките: 5вид на спирачния диск: вентилиранвисочина: 47mmвъншен диаметър: 280mmдебелина на спирачния диск: 22mmДиаметър на кръговата стъпка Ø: 114,3mmстрана на монтаж: предна осцентриращ диаметър: 62mm
FERODO DDF1620 заменими

спирачен диск

страна на монтаж: предна осброй на дупките: 5вид на спирачния диск: вентилиранвисочина: 47mmвисочина на опаковка: 9,3смвъншен диаметър: 280mmсила на затягане (въртящ момент): 86Нютонметърдебелина на спирачния диск: 22mmдоп. артикул/доп. инфо. 2: с винтовеДължина на опаковка: 28,5смединица-мярка за количество: комплектконтролен знак за преглед: R90 HomologatedДиаметър на кръговата стъпка Ø: 114,3mmмин. дебелина: 20mmповърхност: омаслентегло: 12,26kgТип опаковка: кутияцентриращ диаметър: 62mmопаковачна широчина: 28,5см
FERODO DDF1620C заменими

спирачен диск

страна на монтаж: предна осброй на дупките: 5вид на спирачния диск: вентилиранвисочина: 47mmвисочина на опаковка: 9,3смвъншен диаметър: 280mmсила на затягане (въртящ момент): 86Нютонметърдебелина на спирачния диск: 22mmдоп. артикул/доп. инфо. 2: с винтовеДължина на опаковка: 28,5смединица-мярка за количество: комплектконтролен знак за преглед: R90 HomologatedДиаметър на кръговата стъпка Ø: 114,3mmмин. дебелина: 20mmповърхност: с покритиетегло: 12,26kgцентриращ диаметър: 62mmопаковачна широчина: 28,5см
FERODO DDF2067C заменими

спирачен диск

страна на монтаж: задна осброй на дупките: 5брой на дупките за закрепване: 3вид на спирачния диск: плътенвисочина: 43mmвисочина на опаковка: 10смвъншен диаметър: 278mmдебелина на спирачния диск: 9mmдоп. артикул/доп. инфо. 2: с винтовеДължина на опаковка: 28смединица-мярка за количество: комплектконтролен знак за преглед: R90 homologatedДиаметър на кръговата стъпка Ø: 114,3mmмин. дебелина: 8mmповърхност: с покритиетегло: 8,43kgТип опаковка: кутияцентриращ диаметър: 62mmопаковачна широчина: 28см
FERODO DDF2075C заменими

спирачен диск

страна на монтаж: задна осброй на дупките: 5вид на спирачния диск: плътенвисочина: 43,3mmвисочина на опаковка: 9смвъншен диаметър: 278mmдебелина на спирачния диск: 9mmдоп. артикул/доп. инфо. 2: без винтовеДължина на опаковка: 28смединица-мярка за количество: комплектконтролен знак за преглед: R90 homologatedмин. дебелина: 8mmповърхност: с покритиетегло: 8,9kgТип опаковка: кутияцентриращ диаметър: 62mmопаковачна широчина: 28см
FI.BA FBD299 заменими

спирачен диск

джанта: 5-дупкиброй на дупките за закрепване: 2вид на спирачния диск: с вътрешно вентилираневъншен диаметър: 280mmдебелина: 47mmдебелина на спирачния диск: 22mmДиаметър на кръговата стъпка Ø: 114,3mmмин. дебелина: 20mmповърхност: с покритиестрана на монтаж: предна остегло: 5,66kgцентриращ диаметър: 62mm
FI.BA FBD478 заменими

спирачен диск

брой на дупките: 5вид на спирачния диск: плътенвисочина: 43mmвъншен диаметър: 278mmдебелина на спирачния диск: 9mmДиаметър на кръговата стъпка Ø: 62mmмин. дебелина: 7mmстрана на монтаж: задна ос
Frankberg 5481FB0034073 заменими

спирачен диск

брой на дупките: 5вид на спирачния диск: вентилиранвисочина: 46,9mmвъншен диаметър: 280mmдебелина на спирачния диск: 22mmØ: 279,7mmОтвор Ø: 12,7mmединица-мярка за количество: комплектДиаметър на кръговата стъпка Ø: 114,3mmматериал: лято желязо (чугун)мин. дебелина: 20mmповърхност: омасленстрана на монтаж: предна осцентриращ диаметър: 62mm
FREMAX BD-6052 заменими

спирачен диск

страна на монтаж: задна осброй на дупките за закрепване: 5вид на спирачния диск: плътенвисочина: 43mmвъншен диаметър: 278mmдебелина на спирачния диск: 9mmмин. дебелина: 8mmповърхност: с покритиетегло: 4,16kgцентриращ диаметър: 62mm
FRIGAIR DC14.101 заменими

спирачен диск

вид на спирачния диск: вентилиранвъншен диаметър: 279mmдебелина: 47mmдебелина на спирачния диск: 22mmØ: 279mmДиаметър на кръговата стъпка Ø: 62mmстрана на монтаж: предна ос
FTE 9072245 заменими

спирачен диск

джанта: 5-дупкиброй на дупките 1: 1брой на дупките за закрепване: 2вид на спирачния диск: плътенвисочина: 43,4mmвъншен диаметър: 278mmдебелина на спирачния диск: 9mmдоп. артикул/доп. инфо. 2: с винтконтролен знак за преглед: ECE-R90Диаметър на кръговата стъпка Ø: 114,3mmмин. дебелина: 8mmстрана на монтаж: задна остегло: 4,245kgцентриращ диаметър: 62mm
FTE 9072559 заменими

спирачен диск

джанта: 5-дупкиброй на дупките 1: 2брой на дупките за закрепване: 2вид на спирачния диск: вентилиранвисочина: 47mmвъншен диаметър: 280mmдебелина на спирачния диск: 22mmконтролен знак за преглед: ECE-R90Диаметър на кръговата стъпка Ø: 114,3mmмин. дебелина: 20mmстрана на монтаж: предна остегло: 5,984kgцентриращ диаметър: 61,9mm
FTE 9082339 заменими

спирачен диск

джанта: 5-дупкиброй на дупките 1: 1брой на дупките за закрепване: 2вид на спирачния диск: плътенвисочина: 43,4mmвъншен диаметър: 278mmдебелина на спирачния диск: 9mmдоп. артикул/доп. инфо. 2: с винтконтролен знак за преглед: ECE-R90Диаметър на кръговата стъпка Ø: 114,3mmмин. дебелина: 8mmповърхност: с покритиестрана на монтаж: задна остегло: 4,115kgцентриращ диаметър: 62mm
FTE 9082364 заменими

спирачен диск

джанта: 5-дупкиброй на дупките 1: 2брой на дупките за закрепване: 2вид на спирачния диск: вентилиранвисочина: 47mmвъншен диаметър: 280mmдебелина на спирачния диск: 22mmконтролен знак за преглед: ECE-R90Диаметър на кръговата стъпка Ø: 114,3mmмин. дебелина: 20mmповърхност: с покритиестрана на монтаж: предна остегло: 5,993kgцентриращ диаметър: 61,9mm
GALFER B1.G209-0167.1 заменими

спирачен диск

страна на монтаж: задна осброй на дупките: 5вид на спирачния диск: плътенвисочина: 43,2mmвъншен диаметър: 278,0mmвътрешен диаметър: 169,0mmдебелина на спирачния диск: 9,0mmОтвор Ø: 14,0mmконтролен знак за преглед: E1 90R-02C0165/1119Диаметър на кръговата стъпка Ø: 114,3mmмин. дебелина: 8,0mmповърхност: с покритиецентриращ диаметър: 62,0mm
GALFER B1.G222-0252.1 заменими

спирачен диск

страна на монтаж: предна осброй на дупките: 5вид на спирачния диск: вентилиранвисочина: 47,0mmвъншен диаметър: 280,0mmвътрешен диаметър: 146,3mmдебелина на спирачния диск: 22,0mmОтвор Ø: 12,7mmконтролен знак за преглед: E1 90R-02C0115/1118Диаметър на кръговата стъпка Ø: 114,3mmмин. дебелина: 20,0mmповърхност: с покритиецентриращ диаметър: 62,0mm
GIRLING 6047411 заменими

спирачен диск

страна на монтаж: предна осброй на дупките: 5вид на спирачния диск: вентилиранвисочина: 47mmвъншен диаметър: 280mmдебелина на спирачния диск: 22mmконтролен знак за преглед: E190R-02C0176/0003Диаметър на кръговата стъпка Ø: 114,3mmмин. дебелина: 20mmмярка на резбата: 12,7повърхност: боядисанцвят: черенцентриращ диаметър: 62mm
GIRLING 6061784 заменими

спирачен диск

страна на монтаж: задна осброй на дупките: 5вид на спирачния диск: плътенвисочина: 43,3mmвъншен диаметър: 278mmдебелина на спирачния диск: 9mmконтролен знак за преглед: E1 90R-02 C0190/0525Диаметър на кръговата стъпка Ø: 114,3mmмин. дебелина: 8mmмярка на резбата: 14,2повърхност: боядисанцвят: черенцентриращ диаметър: 62mm
HART 224 361 заменими

спирачен диск

страна на монтаж: предна осброй на дупките: 5вид на спирачния диск: вентилиранвисочина: 47,0mmвъншен диаметър: 280mmдебелина на спирачния диск: 22mm
HART 258 004 заменими

спирачен диск

номер на шаси (VIN): TSMстрана на монтаж: предна осстрана на производство на автомобила: 3вид на спирачния диск: с вътрешно вентилираневисочина: 47mmвъншен диаметър: 280mmдебелина на спирачния диск: 22mm
HART 260 518 заменими

спирачен диск

номер на шаси (VIN): TSMстрана на монтаж: задна осстрана на производство на автомобила: 3вид на спирачния диск: плътенвисочина: 43,3mmвъншен диаметър: 278mmдебелина на спирачния диск: 9mm
HELLA 8DD 355 113-631 заменими

спирачен диск

номер на шаси (VIN): TSMстрана на монтаж: предна осстрана на производство на автомобила: 3брой/разположение на дупките: 05/09вид на спирачния диск: с вътрешно вентилираневисочина: 47mmвъншен диаметър: 280mmдебелина на спирачния диск: 22mmдоп. артикул/доп. инфо. 2: без болтове за закрепване на колелатадоп. артикул/доп. инфо. 2: без колесна главинаДиаметър на кръговата стъпка Ø: 114,3mmмин. дебелина: 20mmтегло: 5,8kgцентриращ диаметър: 62mm
HELLA 8DD 355 116-771 заменими

спирачен диск

номер на шаси (VIN): JSAстрана на монтаж: предна осстрана на производство на автомобила: 5брой/разположение на дупките: 05/07вид на спирачния диск: с вътрешно вентилираневисочина: 47mmвъншен диаметър: 280mmвътрешен диаметър: 146mmдебелина на спирачния диск: 22mmØ отверстие за болт на джанта: 12,7mmдоп. артикул/доп. инфо. 2: без болтове за закрепване на колелатадоп. артикул/доп. инфо. 2: без колесен лагердоп. артикул/доп. инфо. 2: без колесна главинаДиаметър на кръговата стъпка Ø: 114,3mmмин. дебелина: 20mmтегло: 5,5kgцентриращ диаметър: 62mm
HELLA 8DD 355 116-791 заменими

спирачен диск

номер на шаси (VIN): JSAстрана на монтаж: задна осстрана на производство на автомобила: 5брой/разположение на дупките: 05/07вид на спирачния диск: плътенвисочина: 43,1mmвъншен диаметър: 278mmдебелина на спирачния диск: 9mmдоп. артикул/доп. инфо. 2: без болтове за закрепване на колелатадоп. артикул/доп. инфо. 2: без колесна главинаДиаметър на кръговата стъпка Ø: 114,3mmмин. дебелина: 8mmтегло: 4,2kgцентриращ диаметър: 62mm
HELLA 8DD 355 123-021 заменими

спирачен диск

номер на шаси (VIN): TSMстрана на монтаж: задна осстрана на производство на автомобила: 3брой/разположение на дупките: 05/08вид на спирачния диск: плътенвисочина: 43,3mmвъншен диаметър: 278mmдебелина на спирачния диск: 9mmдоп. артикул/доп. инфо. 2: без болтове за закрепване на колелатадоп. артикул/доп. инфо. 2: без колесна главинаДиаметър на кръговата стъпка Ø: 114,3mmмин. дебелина: 8mmповърхност: с покритиетегло: 4kgцентриращ диаметър: 62mm
HERTH+BUSS JAKOPARTS J3308024 заменими

спирачен диск

брой на дупките: 5брой на дупките 1: 2брой на дупките 2: 2вид на спирачния диск: с вътрешно вентилираневисочина: 47mmвъншен диаметър: 280mmвътрешен диаметър: 146mmдебелина на спирачния диск: 22mmГлавина Ø: 62,2mmДиаметър на кръговата стъпка Ø: 114,3mmмин. дебелина: 20mmповърхност: с покритиестрана на монтаж: предна осудовлетворява нормите на ЕИК: E1 90R 02C0064/0387
HERTH+BUSS JAKOPARTS J3318005 заменими

спирачен диск

брой на дупките: 5брой на дупките 1: 2брой на дупките 2: 1вид на спирачния диск: плътенвисочина: 43,1mmвъншен диаметър: 278mmвътрешен диаметър: 169mmдебелина на спирачния диск: 9mmГлавина Ø: 62mmДиаметър на кръговата стъпка Ø: 114,3mmмин. дебелина: 8mmповърхност: с покритиестрана на монтаж: задна ос
Hi-Q SD4806 заменими

спирачен диск

страна на монтаж: задна осброй на дупките: 8вид на спирачния диск: плътенвисочина: 43,3mmвъншен диаметър: 278mmдебелина: 9mmдебелина на спирачния диск: 8mmДиаметър на кръговата стъпка Ø: 114,3mmтегло: 4,04kgцентриращ диаметър: 62mm
Hi-Q SD4811 заменими

спирачен диск

страна на монтаж: предна осброй на дупките: 9вид на спирачния диск: вентилиранвисочина: 47mmвъншен диаметър: 280mmдебелина: 22mmдебелина на спирачния диск: 20mmДиаметър на кръговата стъпка Ø: 114,3mmтегло: 5,86kgцентриращ диаметър: 62mm
IAP QUALITY PARTS 709-16100 заменими

спирачен диск

брой на дупките: 5вид на спирачния диск: вентилиранвисочина: 47mmвъншен диаметър: 280mmдебелина на спирачния диск: 22mmмин. дебелина: 20mmстрана на монтаж: предна осцентриращ диаметър: 62mm
IAP QUALITY PARTS 709-16101 заменими

спирачен диск

брой на дупките: 5вид на спирачния диск: плътенвисочина: 43,2mmвъншен диаметър: 278mmдебелина на спирачния диск: 9mmмин. дебелина: 8mmстрана на монтаж: задна осцентриращ диаметър: 62mm
ICER 78BD6041-2 заменими

спирачен диск

страна на монтаж: предна осброй/разположение на дупките: 5вид на спирачния диск: вентилиранвисочина: 47mmвъншен диаметър: 279mmдебелина: 22mmдебелина на спирачния диск: 20mmØ: 62mmконструкция на ос: Frontконтролен знак за преглед: E1 90R-02C0074/0231контролен знак за преглед: E1 90R-02C0370/0015контролен знак за преглед: E1 90R-02C0452/0118Диаметър на кръговата стъпка Ø: 114,3mmмин. дебелина: 20mmтехнически информационен номер: 78BD6041-2центриращ диаметър: 62mm
JAPANPARTS DI-820C заменими

спирачен диск

брой на дупките: 5вид на спирачния диск: вентилиранвисочина: 47mmвъншен диаметър: 279mmсила на затягане (въртящ момент): 86Нютонметърдебелина на спирачния диск: 22mmза OE-номер: 5531180J03контролен знак за преглед: ECE R90 APPROVEDДиаметър на кръговата стъпка Ø: 62,1mmмин. дебелина: 20mmповърхност: боядисанстрана на монтаж: предна ос
JAPANPARTS DP-803C заменими

спирачен диск

брой на дупките: 5вид на спирачния диск: плътенвисочина: 43mmвъншен диаметър: 278mmдебелина на спирачния диск: 9mmза OE-номер: 71768089Диаметър на кръговата стъпка Ø: 62mmмин. дебелина: 7mmповърхност: боядисанстрана на монтаж: задна ос
JAPKO 60820C заменими

спирачен диск

брой на дупките: 5вид на спирачния диск: вентилиранвисочина: 47mmвъншен диаметър: 279mmсила на затягане (въртящ момент): 86Нютонметърдебелина на спирачния диск: 22mmза OE-номер: 5531180J03контролен знак за преглед: ECE R90 APPROVEDДиаметър на кръговата стъпка Ø: 62,1mmмин. дебелина: 20mmповърхност: боядисанстрана на монтаж: предна ос
JAPKO 61803C заменими

спирачен диск

брой на дупките: 5вид на спирачния диск: плътенвисочина: 43mmвъншен диаметър: 278mmдебелина на спирачния диск: 9mmза OE-номер: 71768089Диаметър на кръговата стъпка Ø: 62mmмин. дебелина: 7mmповърхност: боядисанстрана на монтаж: задна ос
JP GROUP 4763100500 заменими

спирачен диск

номер на шаси (VIN): TSMстрана на производство на автомобила: 3брой на дупките: 5вид на спирачния диск: вентилиранвъншен диаметър: 280mmдебелина на спирачния диск: 22mmповърхност: с покритиестрана на монтаж: предна ос
JP GROUP 4763200300 заменими

спирачен диск

номер на шаси (VIN): TSMстрана на производство на автомобила: 3брой на дупките: 5вид на спирачния диск: плътенвъншен диаметър: 278mmдебелина на спирачния диск: 9mmповърхност: с покритиестрана на монтаж: задна ос
JPN 30H8019-JPN заменими

спирачен диск

страна на монтаж: предна осброй на дупките: 5вид на спирачния диск: вентилиранвисочина: 47,0mmвъншен диаметър: 280mmдебелина на спирачния диск: 22mmДиаметър на кръговата стъпка Ø: 114,3mmмярка на резбата: 12,7центриращ диаметър: 62,0mm
JPN 40H9132-JPN заменими

спирачен диск

спирачна/динамика на движение: 1страна на монтаж: задна осджанта: 5-дупкивид на спирачния диск: плътенвисочина: 43,4mmвъншен диаметър: 278mmдебелина на спирачния диск: 9mmГлавина Ø: 180mm
JURATEK FIA115 заменими

спирачен диск

страна на монтаж: предна осброй на дупките за закрепване: 5вид на спирачния диск: вентилиранвисочина: 47mmвъншен диаметър: 280mmдебелина на спирачния диск: 22mmОтвор Ø: 12,7mmДиаметър на кръговата стъпка Ø: 114mmмин. дебелина: 20,0mmномер на артикул в чифта: JCA1379Lномер на артикул в чифта: JCA1379Rномер на артикул в чифта: JCK1091номер на артикул в чифта: JCP1875номер на артикул в чифта: NKR0178повърхност: с покритиетегло: 6,14kgцентриращ диаметър: 62mm
JURATEK FIA120 заменими

спирачен диск

страна на монтаж: задна осброй на дупките за закрепване: 5вид на спирачния диск: плътенвисочина: 43mmвъншен диаметър: 278mmдебелина на спирачния диск: 9mmДиаметър на кръговата стъпка Ø: 114mmмин. дебелина: 8mmномер на артикул в чифта: JCA1285Lномер на артикул в чифта: JCA1285Rномер на артикул в чифта: JCP1679номер на артикул в чифта: NKF8487номер на артикул в чифта: NKF8488повърхност: с покритиетегло: 4,2kgцентриращ диаметър: 62mm
JURID 562534JC заменими

спирачен диск

страна на монтаж: предна осброй на дупките: 5версия: JCвид на спирачния диск: вентилиранвисочина: 47mmвисочина на опаковка: 11смвъншен диаметър: 280mmсила на затягане (въртящ момент): 86Нютонметърдебелина на спирачния диск: 22mmдоп. артикул/доп. инфо. 2: с винтовеДължина на опаковка: 28,5смединица-мярка за количество: комплектДиаметър на кръговата стъпка Ø: 114,3mmмин. дебелина: 20mmповърхност: с покритиетегло: 12,26kgТип опаковка: кутияцентриращ диаметър: 62mmопаковачна широчина: 28,5см
JURID 562801JC заменими

спирачен диск

страна на монтаж: задна осброй на дупките: 5версия: JCвид на спирачния диск: плътенвисочина: 43,3mmвисочина на опаковка: 9смвъншен диаметър: 278mmдебелина на спирачния диск: 9mmОтвор Ø: 62mmдоп. артикул/доп. инфо. 2: с винтовеДължина на опаковка: 30смединица-мярка за количество: комплектконтролен знак за преглед: R90 Homologatedмин. дебелина: 8mmповърхност: с покритиетегло: 8,9kgТип опаковка: кутияцентриращ диаметър: 62mmопаковачна широчина: 30см
JURID 562967JC заменими

спирачен диск

страна на монтаж: задна осброй на дупките: 5брой на дупките за закрепване: 3версия: JCвид на спирачния диск: плътенвисочина: 43mmвисочина на опаковка: 10,5смвъншен диаметър: 278mmдебелина на спирачния диск: 9mmдоп. артикул/доп. инфо. 2: с винтовеДължина на опаковка: 29смединица-мярка за количество: комплектконтролен знак за преглед: R90 HomologatedДиаметър на кръговата стъпка Ø: 114,3mmмин. дебелина: 8mmповърхност: с покритиетегло: 8,43kgТип опаковка: кутияцентриращ диаметър: 62mmопаковачна широчина: 29см
KAISHIN CBR316 заменими

спирачен диск

брой на дупките: 5брой на дупките: 5вид на спирачния диск: вентилиранвисочина: 47mmвъншен диаметър: 279mmсила на затягане (въртящ момент): 86Нютонметърдебелина на спирачния диск: 22mmза OE-номер: 5531180J03контролен знак за преглед: ECE R90 APPROVEDДиаметър на кръговата стъпка Ø: 62,1mmмин. дебелина: 20mmповърхност: боядисанстрана на монтаж: предна ос
KAISHIN CBR534 заменими

спирачен диск

брой на дупките: 5брой на дупките: 5вид на спирачния диск: плътенвисочина: 43mmвъншен диаметър: 278mmдебелина на спирачния диск: 9mmза OE-номер: 71768089Диаметър на кръговата стъпка Ø: 62mmмин. дебелина: 7mmповърхност: боядисанстрана на монтаж: задна ос
KAMOKA 1031074 заменими

спирачен диск

брой на дупките: 5вид на спирачния диск: вентилиранвисочина: 47mmвъншен диаметър: 280mmдебелина на спирачния диск: 22mmДиаметър на кръговата стъпка Ø: 114mmповърхност: с покритиестрана на монтаж: предна осцентриращ диаметър: 62mm
KAMOKA 103154 заменими

спирачен диск

спирачна/динамика на движение: 1брой на дупките: 5вид на спирачния диск: плътенвисочина: 43mmвъншен диаметър: 278mmдебелина на спирачния диск: 9mmДиаметър на кръговата стъпка Ø: 114mmповърхност: с покритиестрана на монтаж: задна осцентриращ диаметър: 62mm
KAVO PARTS BR-8723-C заменими

спирачен диск

година на производство до: 201012страна на монтаж: предна осброй на дупките: 5вид на спирачния диск: вентилиранвисочина: 47mmвъншен диаметър: 280mmдебелина на спирачния диск: 22mmконтролен знак за преглед: R90Диаметър на кръговата стъпка Ø: 114,3mmповърхност: с покритиецентриращ диаметър: 62mm
KAVO PARTS BR-8736-C заменими

спирачен диск

година на производство до: 201012страна на монтаж: задна осброй на дупките: 5вид на спирачния диск: плътенвисочина: 43mmвъншен диаметър: 278mmдебелина на спирачния диск: 9mmконтролен знак за преглед: R90Диаметър на кръговата стъпка Ø: 114mmмин. дебелина: 8mmповърхност: с покритиецентриращ диаметър: 62mm
KAWE 61018 10 заменими

спирачен диск

брой на дупките: 5вид на спирачния диск: вентилиранвисочина: 47mmвъншен диаметър: 280mmдебелина на спирачния диск: 22mmØ: 280mmмин. дебелина: 20mmстрана на монтаж: предна остегло: 5,86kgцентриращ диаметър: 62mm
KAWE 61372 00 заменими

спирачен диск

брой на дупките: 5вид на спирачния диск: плътенвисочина: 43,3mmвъншен диаметър: 278mmдебелина на спирачния диск: 9mmØ: 278mmмин. дебелина: 8mmстрана на монтаж: задна остегло: 4,04kgцентриращ диаметър: 62mm
KAWE 61423 10 заменими

спирачен диск

брой на дупките: 5вид на спирачния диск: вентилиранвисочина: 47mmвъншен диаметър: 280mmдебелина на спирачния диск: 22mmØ: 279,8mmмин. дебелина: 20mmстрана на монтаж: предна остегло: 5,56kgцентриращ диаметър: 62mm
KAWE 61425 00 заменими

спирачен диск

брой на дупките: 5вид на спирачния диск: плътенвисочина: 43,4mmвъншен диаметър: 278mmдебелина на спирачния диск: 9mmØ: 278mmмин. дебелина: 8mmстрана на монтаж: предна остегло: 4,14kgцентриращ диаметър: 62mm
KEY PARTS KBD4614 заменими

спирачен диск

година на производство от: 200610страна на монтаж: предна осброй на дупките: 5вид на спирачния диск: вентилиранвисочина: 47mmвъншен диаметър: 280mmдебелина на спирачния диск: 22mmединица-мярка за количество: комплектконтролен знак за преглед: ECE R90 Homologatedмин. дебелина: 20mmповърхност: без покритиецентриращ диаметър: 62mm
KRAFT AUTOMOTIVE 6047060 заменими

спирачен диск

вид на спирачния диск: вентилиранвъншен диаметър: 280,0mmдебелина на спирачния диск: 22mmпродуктов номер: 6047060страна на монтаж: предна ос
KRAFTVOLL GERMANY 07040934 заменими

спирачен диск

година на производство до: 200906страна на производство на автомобила: 3джанта: 5-дупкиброй на дупките за закрепване: 4вид на спирачния диск: вентилиранвисочина: 47mmвъншен диаметър: 280mmдебелина на спирачния диск: 22mmмин. дебелина: 20mmстрана на монтаж: предна остегло: 11,97kgцентриращ диаметър: 62mm
LPR S5005V заменими

спирачен диск

страна на монтаж: предна осстрана на производство на автомобила: 5брой на дупките: 5вид на спирачния диск: с вътрешно вентилираневисочина: 47mmвъншен диаметър: 280mmдебелина на спирачния диск: 22mmмин. дебелина: 20mmцентриращ диаметър: 62,1mm
LPR S5005VR заменими

спирачен диск

страна на монтаж: предна осстрана на производство на автомобила: 5брой на дупките: 5вид на спирачния диск: с вътрешно вентилираневисочина: 47mmвъншен диаметър: 280mmдебелина на спирачния диск: 22mmмин. дебелина: 20mmповърхност: с покритиецентриращ диаметър: 62,1mm
LYNXAUTO BN-1129 заменими

спирачен диск

номер на шаси (VIN): JSAстрана на производство на автомобила: 5брой на дупките: 5вид на спирачния диск: вентилиранвисочина: 47mmвъншен диаметър: 280mmвътрешен диаметър: 146mmдебелина на спирачния диск: 22mmДиаметър на кръговата стъпка Ø: 114,3mmмин. дебелина: 20mmстрана на монтаж: предна осцентриращ диаметър: 62mm
LYNXAUTO BN-1134 заменими

спирачен диск

брой на дупките: 5вид на спирачния диск: вентилиранвисочина: 47mmвъншен диаметър: 280mmвътрешен диаметър: 146mmдебелина на спирачния диск: 22mmДиаметър на кръговата стъпка Ø: 114,3mmмин. дебелина: 20mmстрана на монтаж: предна осцентриращ диаметър: 62mm
LYNXAUTO BN-1439 заменими

спирачен диск

брой на дупките: 5вид на спирачния диск: плътенвисочина: 43mmвъншен диаметър: 278mmдебелина на спирачния диск: 9mmДиаметър на кръговата стъпка Ø: 114,3mmмин. дебелина: 8mmстрана на монтаж: задна осцентриращ диаметър: 62mm
LYNXAUTO BN-1934 заменими

спирачен диск

номер на шаси (VIN): JSAспирачна уредба: 13страна на производство на автомобила: 5брой на дупките: 5вид на спирачния диск: плътенвисочина: 43,5mmвъншен диаметър: 278mmдебелина на спирачния диск: 9mmДиаметър на кръговата стъпка Ø: 114,3mmмин. дебелина: 8mmстрана на монтаж: задна осцентриращ диаметър: 62mm
MAGNETI MARELLI 360406070801 заменими

спирачен диск

страна на монтаж: предна осброй на дупките: 5вид на спирачния диск: с вътрешно вентилираневисочина: 47mmвъншен диаметър: 280mmсила на затягане (въртящ момент): 86Нютонметърдебелина на спирачния диск: 22mmØ: 280mmдоп. артикул/доп. инфо. 2: с винтовеДиаметър на кръговата стъпка Ø: 62mmмин. дебелина: 20mm
MAGNETI MARELLI 360406120200 заменими

спирачен диск

страна на монтаж: задна осброй на дупките: 5вид на спирачния диск: плътенвисочина: 43mmвъншен диаметър: 278mmдебелина на спирачния диск: 9mmØ: 278mmдоп. артикул/доп. инфо. 2: с винтовеДиаметър на кръговата стъпка Ø: 62mmмин. дебелина: 8mmповърхност: без покритие
MAGNETI MARELLI 361302040120 заменими

спирачен диск

страна на монтаж: предна осброй на дупките: 5вид на спирачния диск: с вътрешно вентилираневисочина: 47mmвъншен диаметър: 280mmсила на затягане (въртящ момент): 86Нютонметърдебелина на спирачния диск: 22mmØ: 280mmДиаметър на кръговата стъпка Ø: 62mmмин. дебелина: 20mm
MAGNETI MARELLI 361302040369 заменими

спирачен диск

страна на монтаж: задна осброй на дупките: 5вид на спирачния диск: плътенвисочина: 43mmвъншен диаметър: 278mmдебелина на спирачния диск: 9mmØ: 278mmДиаметър на кръговата стъпка Ø: 62mmмин. дебелина: 8mm
MANDO MBC035570 заменими

спирачен диск

вид на спирачния диск: плътенвисочина: 43,3mmвъншен диаметър: 278mmдебелина на спирачния диск: 9mmконтролен знак за преглед: E1 90R-02C0100/1167мин. дебелина: 8mmстрана на монтаж: задна осцентриращ диаметър: 62mm
MANDO MBC035777 заменими

спирачен диск

вид на спирачния диск: с вътрешно вентилираневисочина: 47mmвъншен диаметър: 280mmдебелина на спирачния диск: 22mmконтролен знак за преглед: E1 90R-02C0074/0231мин. дебелина: 20mmстрана на монтаж: предна осцентриращ диаметър: 62mm
MAPCO 25103 заменими

спирачен диск

брой на дупките: 5вид на спирачния диск: вентилиранвисочина: 47mmвъншен диаметър: 280mmдебелина на спирачния диск: 22mmДиаметър на кръговата стъпка Ø: 114,3mmстрана на монтаж: предна осцентриращ диаметър: 62mm
MASTER-SPORT GERMANY 24010901671-PCS-MS заменими

спирачен диск

брой на дупките: 5бруто тегло: 4,14kgвид на спирачния диск: плътенвисочина: 43,2mmвъншен диаметър: 278mmвътрешен диаметър: 169mmдебелина на спирачния диск: 9mmОтвор Ø: 14mmДиаметър на кръговата стъпка Ø: 114mmмин. дебелина: 8mmнеобходими бройки: 2нето тегло: 4,04kgстрана на монтаж: задна осцентриращ диаметър: 62mm
MASTER-SPORT GERMANY 24010901671-PCS-MSP заменими

спирачен диск

брой на дупките: 5вид на спирачния диск: плътенвисочина: 43,2mmвъншен диаметър: 278mmвътрешен диаметър: 169mmдебелина на спирачния диск: 9mmОтвор Ø: 14mmДиаметър на кръговата стъпка Ø: 114mmмин. дебелина: 8mmнеобходими бройки: 2нето тегло: 4,28kgстрана на монтаж: задна осцентриращ диаметър: 62mm
MASTER-SPORT GERMANY 24010901671PR-PCS-MS заменими

спирачен диск

брой на дупките: 5бруто тегло: 4,04kgвид на спирачния диск: плътенвисочина: 43,2mmвъншен диаметър: 278mmвътрешен диаметър: 169mmдебелина на спирачния диск: 9mmОтвор Ø: 14mmДиаметър на кръговата стъпка Ø: 114mmмин. дебелина: 8mmнеобходими бройки: 2нето тегло: 4,04kgповърхност: с покритиестрана на монтаж: задна осцентриращ диаметър: 62mm
MASTER-SPORT GERMANY 24010901671PR-PCS-MSP заменими

спирачен диск

брой на дупките: 5вид на спирачния диск: плътенвисочина: 43,2mmвъншен диаметър: 278mmвътрешен диаметър: 169mmдебелина на спирачния диск: 9mmОтвор Ø: 14mmДиаметър на кръговата стъпка Ø: 114mmмин. дебелина: 8mmнеобходими бройки: 2нето тегло: 4,28kgповърхност: с покритиестрана на монтаж: задна осцентриращ диаметър: 62mm
MASTER-SPORT GERMANY 24010901671PR-SET-MS заменими

спирачен диск

брой на дупките: 5бруто тегло: 8,08kgвид на спирачния диск: плътенвисочина: 43,2mmвъншен диаметър: 278mmвътрешен диаметър: 169mmдебелина на спирачния диск: 9mmОтвор Ø: 14mmДиаметър на кръговата стъпка Ø: 114mmмин. дебелина: 8mmнеобходими бройки: 2нето тегло: 8,08kgповърхност: с покритиестрана на монтаж: задна осцентриращ диаметър: 62mm
MASTER-SPORT GERMANY 24010901671PR-SET-MSP заменими

спирачен диск

брой на дупките: 5бруто тегло: 8,55kgвид на спирачния диск: плътенвисочина: 43,2mmвъншен диаметър: 278mmвътрешен диаметър: 169mmдебелина на спирачния диск: 9mmОтвор Ø: 14mmДиаметър на кръговата стъпка Ø: 114mmмин. дебелина: 8mmнеобходими бройки: 2нето тегло: 8,55kgповърхност: с покритиестрана на монтаж: задна осцентриращ диаметър: 62mm
MASTER-SPORT GERMANY 24010901671-SET-MS заменими

спирачен диск

брой на дупките: 5бруто тегло: 8,08kgвид на спирачния диск: плътенвисочина: 43,2mmвъншен диаметър: 278mmвътрешен диаметър: 169mmдебелина на спирачния диск: 9mmОтвор Ø: 14mmДиаметър на кръговата стъпка Ø: 114mmмин. дебелина: 8mmнеобходими бройки: 1нето тегло: 8,08kgповърхност: с покритиестрана на монтаж: задна осцентриращ диаметър: 62mm
MASTER-SPORT GERMANY 24010901671-SET-MSP заменими

спирачен диск

брой на дупките: 5бруто тегло: 8,55kgвид на спирачния диск: плътенвисочина: 43,2mmвъншен диаметър: 278mmвътрешен диаметър: 169mmдебелина на спирачния диск: 9mmОтвор Ø: 14mmДиаметър на кръговата стъпка Ø: 114mmмин. дебелина: 8mmнеобходими бройки: 1нето тегло: 8,55kgповърхност: с покритиестрана на монтаж: задна осцентриращ диаметър: 62mm
MASTER-SPORT GERMANY 24012202521-PCS-MS заменими

спирачен диск

брой на дупките: 5бруто тегло: 6,14kgвид на спирачния диск: вентилиранвисочина: 47mmвъншен диаметър: 280mmвътрешен диаметър: 146,3mmдебелина на спирачния диск: 22mmОтвор Ø: 12,7mmДиаметър на кръговата стъпка Ø: 114mmмин. дебелина: 20mmнеобходими бройки: 2нето тегло: 5,96kgстрана на монтаж: предна осцентриращ диаметър: 62mm
MASTER-SPORT GERMANY 24012202521-PCS-MSP заменими

спирачен диск

брой на дупките: 5вид на спирачния диск: вентилиранвисочина: 47mmвъншен диаметър: 280mmвътрешен диаметър: 146,3mmдебелина на спирачния диск: 22mmОтвор Ø: 12,7mmДиаметър на кръговата стъпка Ø: 114mmмин. дебелина: 20mmнеобходими бройки: 2нето тегло: 6,19kgстрана на монтаж: предна осцентриращ диаметър: 62mm
MASTER-SPORT GERMANY 24012202521PR-PCS-MS заменими

спирачен диск

брой на дупките: 5вид на спирачния диск: вентилиранвисочина: 47mmвъншен диаметър: 280mmвътрешен диаметър: 146,3mmдебелина на спирачния диск: 22mmОтвор Ø: 12,7mmДиаметър на кръговата стъпка Ø: 114mmмин. дебелина: 20mmнеобходими бройки: 2повърхност: с покритиестрана на монтаж: предна осцентриращ диаметър: 62mm
MASTER-SPORT GERMANY 24012202521PR-PCS-MSP заменими

спирачен диск

брой на дупките: 5вид на спирачния диск: вентилиранвисочина: 47mmвъншен диаметър: 280mmвътрешен диаметър: 146,3mmдебелина на спирачния диск: 22mmОтвор Ø: 12,7mmДиаметър на кръговата стъпка Ø: 114mmмин. дебелина: 20mmнеобходими бройки: 2повърхност: с покритиестрана на монтаж: предна осцентриращ диаметър: 62mm
MASTER-SPORT GERMANY 24012202521-SET-MS заменими

спирачен диск

брой на дупките: 5бруто тегло: 12,29kgвид на спирачния диск: вентилиранвисочина: 47mmвъншен диаметър: 280mmвътрешен диаметър: 146,3mmдебелина на спирачния диск: 22mmОтвор Ø: 12,7mmДиаметър на кръговата стъпка Ø: 114mmмин. дебелина: 20mmнеобходими бройки: 1нето тегло: 11,47kgстрана на монтаж: предна осцентриращ диаметър: 62mm
MASTER-SPORT GERMANY 24012202521-SET-MSP заменими

спирачен диск

брой на дупките: 5вид на спирачния диск: вентилиранвисочина: 47mmвъншен диаметър: 280mmвътрешен диаметър: 146,3mmдебелина на спирачния диск: 22mmОтвор Ø: 12,7mmДиаметър на кръговата стъпка Ø: 114mmмин. дебелина: 20mmнеобходими бройки: 1нето тегло: 11,94kgстрана на монтаж: предна осцентриращ диаметър: 62mm
MAXGEAR 19-2003 заменими

спирачен диск

година на производство до: 200908страна на монтаж: предна осброй на дупките: 5вид на спирачния диск: вентилиранвисочина: 46,9mmвъншен диаметър: 280mmдебелина на спирачния диск: 22mmдоп. артикул/доп. инфо. 2: с винтовеДиаметър на кръговата стъпка Ø: 114mmмин. дебелина: 20mmцентриращ диаметър: 62mm
MAXGEAR 19-2003MAX заменими

спирачен диск

година на производство до: 200908страна на монтаж: предна осброй на дупките: 5вид на спирачния диск: вентилиранвисочина: 46,9mmвъншен диаметър: 280mmдебелина на спирачния диск: 22mmдоп. артикул/доп. инфо. 2: с винтовеДиаметър на кръговата стъпка Ø: 114mmмин. дебелина: 20mmповърхност: боядисанповърхност: омасленцентриращ диаметър: 62mm
MAXGEAR 19-2003SPORT заменими

спирачен диск

година на производство до: 200908страна на монтаж: предна осброй на дупките: 5вид на спирачния диск: вентилиранвид на спирачния диск: с шлицове/перфориранвисочина: 46,9mmвъншен диаметър: 280mmдебелина на спирачния диск: 22mmдоп. артикул/доп. инфо. 2: с винтовеДиаметър на кръговата стъпка Ø: 114mmмин. дебелина: 20mmповърхност: омасленцентриращ диаметър: 62mm
MAXGEAR 19-3350 заменими

спирачен диск

брой на дупките: 5вид на спирачния диск: плътенвисочина: 43,3mmвъншен диаметър: 278mmдебелина на спирачния диск: 9mmДиаметър на кръговата стъпка Ø: 114mmмин. дебелина: 8mmстрана на монтаж: задна осцентриращ диаметър: 62mm
MAXGEAR 19-3350SPORT заменими

спирачен диск

брой на дупките: 5вид на спирачния диск: плътенвид на спирачния диск: с шлицове/перфориранвисочина: 43,3mmвъншен диаметър: 278mmдебелина на спирачния диск: 9mmДиаметър на кръговата стъпка Ø: 114mmмин. дебелина: 8mmповърхност: боядисанстрана на монтаж: задна осцентриращ диаметър: 62mm
MAXTECH 863525 заменими

спирачен диск

страна на производство на автомобила: 3брой на дупките: 5вид на спирачния диск: вентилиранвисочина: 47mmвъншен диаметър: 280mmвътрешен диаметър: 146,3mmдебелина на спирачния диск: 22mmОтвор Ø: 12,7mmДиаметър на кръговата стъпка Ø: 114,3mmмин. дебелина: 20mmстрана на монтаж: предна остегло: 6,1kgцентриращ диаметър: 62mm
MAXTECH 863526 заменими

спирачен диск

спирачна/динамика на движение: 1брой на дупките: 5вид на спирачния диск: плътенвисочина: 43mmвъншен диаметър: 278mmвътрешен диаметър: 169mmдебелина на спирачния диск: 9mmОтвор Ø: 12,7mmДиаметър на кръговата стъпка Ø: 114,3mmмин. дебелина: 8mmстрана на монтаж: задна остегло: 4,2kgцентриращ диаметър: 62mm
METELLI 23-0895C заменими

спирачен диск

страна на монтаж: предна осстрана на производство на автомобила: 3брой на дупките: 5вид на спирачния диск: вентилиранвисочина: 47,0mmвъншен диаметър: 280,0mmдебелина на спирачния диск: 22,0mmконтролен знак за преглед: ECE-R90повърхност: боядисанцентриращ диаметър: 62,0mm
METELLI 23-1398C заменими

спирачен диск

страна на монтаж: задна осброй на дупките: 5вид на спирачния диск: плътенвисочина: 43,0mmвъншен диаметър: 278,0mmдебелина на спирачния диск: 9,0mmконтролен знак за преглед: ECE-R90повърхност: боядисанцентриращ диаметър: 62,0mm
METZGER AUTOTEILE 6110330 заменими

спирачен диск

страна на производство на автомобила: 5брой на дупките: 5вид на спирачния диск: плътенвисочина: 43mmвъншен диаметър: 278mmвътрешен диаметър: 146mmдебелина на спирачния диск: 9mmДиаметър на кръговата стъпка Ø: 114,3mmмин. дебелина: 8mmповърхност: боядисанповърхност: Кръстообразен срезстрана на монтаж: задна осцентриращ диаметър: 62mm
METZGER AUTOTEILE 6110474 заменими

спирачен диск

брой на дупките: 5вид на спирачния диск: с вътрешно вентилираневисочина: 47mmвъншен диаметър: 280mmвътрешен диаметър: 146mmдебелина на спирачния диск: 22mmДиаметър на кръговата стъпка Ø: 114,3mmмин. дебелина: 20mmповърхност: боядисанповърхност: Кръстообразен срезстрана на монтаж: на предната ос отдяснострана на монтаж: на предната ос отлявоудовлетворява нормите на ЕИК: R90центриращ диаметър: 62mm
MEYLE 33-15 521 0016 заменими

спирачен диск

страна на производство на автомобила: 3брой на дупките: 5вид на спирачния диск: вентилиранвисочина: 47mmвъншен диаметър: 280mmдебелина на спирачния диск: 22mmØ отверстие за болт на джанта: 12,7mmДиаметър на кръговата стъпка Ø: 114,3mmмин. дебелина: 20mmнеобходими бройки: 2страна на монтаж: предна осцентриращ диаметър: 62mm
MEYLE 33-15 521 0016/PD заменими

спирачен диск

страна на производство на автомобила: 3брой на дупките: 5вид на спирачния диск: вентилиранвисочина: 47mmвъншен диаметър: 280mmдебелина на спирачния диск: 22mmØ отверстие за болт на джанта: 12,7mmкачество: PREMIUMДиаметър на кръговата стъпка Ø: 114,3mmмин. дебелина: 20mmнеобходими бройки: 2повърхност: поцинковани ламелистрана на монтаж: предна осцентриращ диаметър: 62mm
MEYLE 33-15 523 0000/PD заменими

спирачен диск

година на производство до: 201012брой на дупките: 5вид на спирачния диск: плътенвисочина: 43,4mmвъншен диаметър: 278mmдебелина на спирачния диск: 9mmØ отверстие за болт на джанта: 14mmкачество: PREMIUMДиаметър на кръговата стъпка Ø: 114,3mmмин. дебелина: 8mmнеобходими бройки: 2повърхност: поцинковани ламелистрана на монтаж: задна осцентриращ диаметър: 62mm
MINTEX MDC1822 заменими

спирачен диск

номер на шаси (VIN): TSMстрана на монтаж: предна осстрана на производство на автомобила: 3брой/разположение на дупките: 05/09вид на спирачния диск: с вътрешно вентилираневисочина: 47mmвисочина на опаковка: 12,7смвъншен диаметър: 280mmвътрешен диаметър: 146,2mmдебелина на спирачния диск: 22mmØ отверстие за болт на джанта: 12,7mmдоп. артикул/доп. инфо. 2: без болтове за закрепване на колелатадоп. артикул/доп. инфо. 2: без колесен лагердоп. артикул/доп. инфо. 2: без колесна главинаДължина на опаковка: 30,8смДиаметър на кръговата стъпка Ø: 114,3mmмин. дебелина: 20mmтегло: 5,8kgцентриращ диаметър: 62mmопаковачна широчина: 30,8см
MINTEX MDC2179 заменими

спирачен диск

номер на шаси (VIN): JSAстрана на монтаж: предна осстрана на производство на автомобила: 5брой/разположение на дупките: 05/07вид на спирачния диск: с вътрешно вентилираневисочина: 47mmвисочина на опаковка: 12,7смвъншен диаметър: 280mmвътрешен диаметър: 146mmдебелина на спирачния диск: 22mmØ отверстие за болт на джанта: 12,7mmдоп. артикул/доп. инфо. 2: без болтове за закрепване на колелатадоп. артикул/доп. инфо. 2: без колесен лагердоп. артикул/доп. инфо. 2: без колесна главинаДължина на опаковка: 30,8смДиаметър на кръговата стъпка Ø: 114,3mmмин. дебелина: 20mmтегло: 5,5kgцентриращ диаметър: 62mmопаковачна широчина: 30,8см
MINTEX MDC2181 заменими

спирачен диск

номер на шаси (VIN): JSAстрана на монтаж: задна осстрана на производство на автомобила: 5брой/разположение на дупките: 05/07вид на спирачния диск: плътенвисочина: 43,1mmвисочина на опаковка: 10,5смвъншен диаметър: 278mmвътрешен диаметър: 168mmдебелина на спирачния диск: 9mmØ отверстие за болт на джанта: 12,8mmдоп. артикул/доп. инфо. 2: без болтове за закрепване на колелатадоп. артикул/доп. инфо. 2: без колесен лагердоп. артикул/доп. инфо. 2: без колесна главинаДължина на опаковка: 29,3смДиаметър на кръговата стъпка Ø: 114,3mmмин. дебелина: 8mmтегло: 4,2kgцентриращ диаметър: 62mmопаковачна широчина: 29,3см
MINTEX MDC2715 заменими

спирачен диск

номер на шаси (VIN): TSMстрана на монтаж: задна осстрана на производство на автомобила: 3брой/разположение на дупките: 05/08вид на спирачния диск: плътенвисочина: 43,3mmвисочина на опаковка: 10,5смвъншен диаметър: 278mmвътрешен диаметър: 169mmдебелина на спирачния диск: 9mmØ отверстие за болт на джанта: 14,2mmдоп. артикул/доп. инфо. 2: без болтове за закрепване на колелатадоп. артикул/доп. инфо. 2: без колесен лагердоп. артикул/доп. инфо. 2: без колесна главинаДължина на опаковка: 29,3смДиаметър на кръговата стъпка Ø: 114,3mmмин. дебелина: 8mmтегло: 4kgцентриращ диаметър: 62mmопаковачна широчина: 29,3см
MJA MB100915 заменими

спирачен диск

страна на монтаж: предна осстрана на производство на автомобила: 3брой на дупките: 5вид на спирачния диск: вентилиранвисочина: 47mmвъншен диаметър: 280mmдебелина на спирачния диск: 22mmДиаметър на кръговата стъпка Ø: 114mmцентриращ диаметър: 62mm
MJA MB101160 заменими

спирачен диск

страна на монтаж: предна осстрана на производство на автомобила: 5брой на дупките: 5вид на спирачния диск: вентилиранвисочина: 47mmвъншен диаметър: 280mmдебелина на спирачния диск: 22mmДиаметър на кръговата стъпка Ø: 114mmцентриращ диаметър: 62mm
MJA MB101161 заменими

спирачен диск

страна на монтаж: задна осстрана на производство на автомобила: 5брой на дупките: 5вид на спирачния диск: плътенвисочина: 43mmвъншен диаметър: 278mmдебелина на спирачния диск: 9mmДиаметър на кръговата стъпка Ø: 114mmцентриращ диаметър: 62mm
MJA MB101260 заменими

спирачен диск

страна на монтаж: задна осстрана на производство на автомобила: 3брой на дупките: 5вид на спирачния диск: плътенвисочина: 43mmвъншен диаметър: 278mmдебелина на спирачния диск: 9mmДиаметър на кръговата стъпка Ø: 114mmцентриращ диаметър: 62mm
MOTAQUIP LVBD1249Z заменими

спирачен диск

брой дупки на джанта: 5година на производство от: 200611страна на монтаж: предна осброй на дупките: 5вид на спирачния диск: с вътрешно вентилираневисочина: 46,9mmвъншен диаметър: 280mmдебелина на спирачния диск: 22mmДиаметър на кръговата стъпка Ø: 114,3mmмин. дебелина: 20mmповърхност: с покритиетегло: 5,91kgцентриращ диаметър: 62mm
MOTAQUIP LVBD1660 заменими

спирачен диск

година на производство от: 200611страна на монтаж: задна осброй на дупките: 3брой на дупките: 5вид на спирачния диск: плътенвисочина: 43,1mmвъншен диаметър: 278mmдебелина на спирачния диск: 9mmДиаметър на кръговата стъпка Ø: 114,3mmмин. дебелина: 8mmтегло: 4,43kgцентриращ диаметър: 62mm
MOTRIO 8550501917 заменими

спирачен диск

страна на монтаж: предна осброй на дупките: 5брой на дупките за закрепване: 5вид на спирачния диск: с вътрешно вентилираневисочина: 47mmвъншен диаметър: 280mmсила на затягане (въртящ момент): 86Нютонметърдебелина: 22mmдебелина на спирачния диск: 22mmдоп. артикул/доп. инфо. 2: с винтовемин. дебелина: 20mmмярка на резбата: 12.7повърхност: омасленповърхност: с покритиестрана на монтаж: отпредцентриращ диаметър: 62mm
MOTRIO 8550501918 заменими

спирачен диск

страна на монтаж: задна осброй на дупките: 5брой на дупките за закрепване: 5вид на спирачния диск: плътенвисочина: 43mmвъншен диаметър: 278mmдебелина: 9mmдебелина на спирачния диск: 9mmдоп. артикул/доп. инфо. 2: с винтовемин. дебелина: 8mmмярка на резбата: 14.2повърхност: омасленстрана на монтаж: отзадцентриращ диаметър: 62mm
MOTRIO 8550502063 заменими

спирачен диск

страна на монтаж: предна осброй на дупките: 5брой на дупките за закрепване: 5вид на спирачния диск: с вътрешно вентилираневисочина: 47mmвъншен диаметър: 280mmсила на затягане (въртящ момент): 86Нютонметърдебелина: 22mmдебелина на спирачния диск: 22mmдоп. артикул/доп. инфо. 2: с винтовемин. дебелина: 20mmмярка на резбата: 12.7повърхност: омасленстрана на монтаж: отпредцентриращ диаметър: 62mm
National NBD1444 заменими

спирачен диск

страна на монтаж: предна осстрана на производство на автомобила: 3брой на дупките: 5вид на спирачния диск: вентилиранвисочина: 47mmвъншен диаметър: 280mmдебелина на спирачния диск: 22mmДиаметър на кръговата стъпка Ø: 114mmцентриращ диаметър: 62mm
National NBD1758 заменими

спирачен диск

страна на монтаж: предна осстрана на производство на автомобила: 5брой на дупките: 5вид на спирачния диск: вентилиранвисочина: 47mmвъншен диаметър: 280mmдебелина на спирачния диск: 22mmДиаметър на кръговата стъпка Ø: 114mmцентриращ диаметър: 62mm
National NBD1759 заменими

спирачен диск

страна на монтаж: задна осстрана на производство на автомобила: 5брой на дупките: 5вид на спирачния диск: плътенвисочина: 43mmвъншен диаметър: 278mmдебелина на спирачния диск: 9mmДиаметър на кръговата стъпка Ø: 114mmцентриращ диаметър: 62mm
National NBD1860 заменими

спирачен диск

страна на монтаж: задна осстрана на производство на автомобила: 3брой на дупките: 5вид на спирачния диск: плътенвисочина: 43mmвъншен диаметър: 278mmдебелина на спирачния диск: 9mmДиаметър на кръговата стъпка Ø: 114mmцентриращ диаметър: 62mm
NiBK Automotive RN1320 заменими

спирачен диск

брой на дупките: 5вид на спирачния диск: вентилиранвисочина: 47mmвъншен диаметър: 280mmвътрешен диаметър: 145,5mmдебелина на спирачния диск: 22mmДиаметър на кръговата стъпка Ø: 114,3mmмин. дебелина: 20mmстрана на монтаж: предна осцентриращ диаметър: 62mm
NIPPARTS N3308020 заменими

спирачен диск

брой на дупките: 5вид на спирачния диск: с вътрешно вентилираневисочина: 47mmвъншен диаметър: 280mmдебелина на спирачния диск: 22mmГлавина на колелото Ø: 156,8mmДиаметър на кръговата стъпка Ø: 114,3mmмин. дебелина: 20mmстрана на монтаж: предна осцентриращ диаметър: 62mm
NIPPARTS N3318004 заменими

спирачен диск

страна на монтаж: на задната ос отдяснострана на монтаж: на задната ос отлявоброй на дупките: 5вид на спирачния диск: плътенвисочина: 43,5mmвъншен диаметър: 278mmдебелина на спирачния диск: 10mmГлавина на колелото Ø: 180mmДиаметър на кръговата стъпка Ø: 114,3mmмин. дебелина: 8mmцентриращ диаметър: 62mm
NIPPARTS N3318006 заменими

спирачен диск

номер на шаси (VIN): JSAспирачна уредба: 13страна на производство на автомобила: 5брой на дупките: 5вид на спирачния диск: плътенвисочина: 43,4mmвъншен диаметър: 278mmдебелина на спирачния диск: 9mmГлавина на колелото Ø: 179,8mmДиаметър на кръговата стъпка Ø: 114,3mmмин. дебелина: 8mmстрана на монтаж: задна осцентриращ диаметър: 62mm
NK 205218 заменими

спирачен диск

страна на монтаж: предна осджанта: 5-дупкивид на спирачния диск: вентилиранвисочина: 47mmвъншен диаметър: 280mmдебелина на спирачния диск: 22mmмин. дебелина: 20mmнето тегло: 5,86kgповърхност: омасленцентриращ диаметър: 61,9mm
NK 205223 заменими

спирачен диск

страна на монтаж: задна осджанта: 5-дупкивид на спирачния диск: плътенвисочина: 43,4mmвъншен диаметър: 278mmдебелина на спирачния диск: 9mmмин. дебелина: 8mmнето тегло: 4,04kgповърхност: омасленцентриращ диаметър: 62mm
NK 315218 заменими

спирачен диск

страна на монтаж: предна осджанта: 5-дупкивид на спирачния диск: вентилиранвисочина: 47mmвъншен диаметър: 280mmдебелина на спирачния диск: 22mmмин. дебелина: 20mmнето тегло: 5,86kgповърхност: с покритиецентриращ диаметър: 61,9mm
NK 315223 заменими

спирачен диск

страна на монтаж: задна осджанта: 5-дупкивид на спирачния диск: плътенвисочина: 43,4mmвъншен диаметър: 278mmдебелина на спирачния диск: 9mmмин. дебелина: 8mmнето тегло: 4,04kgповърхност: с покритиецентриращ диаметър: 62mm
NPS S330I23 заменими

спирачен диск

брой на дупките: 5брой на дупките за закрепване: 2брой части: 1-tlg.вид на спирачния диск: вентилиранвисочина: 47mmвъншен диаметър: 280mmвътрешен диаметър: 62mmдебелина на спирачния диск: 22mmконтролен знак за преглед: E1 90R-02C0074/0231Диаметър на кръговата стъпка Ø: 62mmмин. дебелина: 20mmспецификация: Qte packaging: 1страна на монтаж: предна осцентриращ диаметър: 62mm
NPS S331I05 заменими

спирачен диск

година на производство до: 200906спецификация: P-278,0x09,0брой на дупките за закрепване: 3брой части: 1-tlg.вид на спирачния диск: плътенвъншен диаметър: 278mmдебелина на спирачния диск: 9mmконтролен знак за преглед: E1 90R-02C0100/1167спецификация: Qte packaging: 1страна на монтаж: задна остегло: 4,180kgцентриращ диаметър: 62mm
Omnicraft 2134529 заменими

спирачен диск

страна на монтаж: предна осброй на дупките: 5вид на спирачния диск: с вътрешно вентилираневисочина: 47mmвъншен диаметър: 280mmсила на затягане (въртящ момент): 86Нютонметърдебелина на спирачния диск: 22mmдоп. артикул/доп. инфо. 2: с винтовемин. дебелина: 20mmповърхност: с покритиецентриращ диаметър: 62mm
OPEN PARTS BDA2367.20 заменими

спирачен диск

година на производство до: 201012страна на монтаж: предна осброй на дупките: 5вид на спирачния диск: вентилиранвисочина: 47mmвъншен диаметър: 280mmдебелина на спирачния диск: 22mmдоп. артикул/доп. инфо. 2: с винтовемин. дебелина: 20mmцентриращ диаметър: 62mm
OPEN PARTS BDA2566.10 заменими

спирачен диск

година на производство до: 201012страна на монтаж: задна осброй на дупките: 5вид на спирачния диск: плътенвисочина: 43,3mmвъншен диаметър: 278mmдебелина на спирачния диск: 9mmдоп. артикул/доп. инфо. 2: с винтовемин. дебелина: 8mmцентриращ диаметър: 62mm
OPEN PARTS BDR2367.20 заменими

спирачен диск

година на производство до: 201012страна на монтаж: предна осброй на дупките: 5вид на спирачния диск: вентилиранвисочина: 47mmвъншен диаметър: 280mmдебелина на спирачния диск: 22mmдоп. артикул/доп. инфо. 2: с винтовемин. дебелина: 20mmповърхност: боядисанцентриращ диаметър: 62mm
OPTIMAL BS-8484 заменими

спирачен диск

брой/разположение на дупките: 5/9версия за държава: Унгариявид на спирачния диск: вентилиранвисочина: 47mmвъншен диаметър: 280mmдебелина на спирачния диск: 22mmмин. дебелина: 20mmстрана на монтаж: предна осцентриращ диаметър: 62mm
OPTIMAL BS-8484C заменими

спирачен диск

брой/разположение на дупките: 5/9версия за държава: Унгариявид на спирачния диск: вентилиранвисочина: 47mmвъншен диаметър: 280mmдебелина на спирачния диск: 22mmдоп. артикул/доп. инфо. 2: с винтовемин. дебелина: 20mmповърхност: с покритиестрана на монтаж: предна осцентриращ диаметър: 62mm
OPTIMAL BS-8620C заменими

спирачен диск

брой/разположение на дупките: 5/7версия за държава: Япониявид на спирачния диск: вентилиранвисочина: 47mmвъншен диаметър: 280mmдебелина на спирачния диск: 22mmповърхност: с покритиестрана на монтаж: предна осцентриращ диаметър: 62mm
OPTIMAL BS-9156 заменими

спирачен диск

спирачна/динамика на движение: 1брой/разположение на дупките: 5/8вид на спирачния диск: плътенвисочина: 43,2mmвъншен диаметър: 278mmдебелина на спирачния диск: 9mmмин. дебелина: 8mmстрана на монтаж: задна осцентриращ диаметър: 62mm
OPTIMAL BS-9156C заменими

спирачен диск

спирачна/динамика на движение: 1брой/разположение на дупките: 5/8вид на спирачния диск: плътенвисочина: 43,2mmвъншен диаметър: 278mmдебелина на спирачния диск: 9mmдоп. артикул/доп. инфо. 2: с винтовемин. дебелина: 8mmповърхност: с покритиестрана на монтаж: задна осцентриращ диаметър: 62mm
OSSCA 65608 заменими

спирачен диск

вид на спирачния диск: плътенвисочина: 62,1mmвъншен диаметър: 292mmдебелина на спирачния диск: 9mmстрана на монтаж: отзад
PAGID 54566N заменими

спирачен диск

номер на шаси (VIN): TSMстрана на монтаж: предна осстрана на производство на автомобила: 3брой/разположение на дупките: 05/09вид на спирачния диск: с вътрешно вентилираневисочина: 47mmвисочина на опаковка: 6,5смвъншен диаметър: 280mmвътрешен диаметър: 146,2mmдебелина на спирачния диск: 22mmØ отверстие за болт на джанта: 12,7mmдоп. артикул/доп. инфо. 2: без болтове за закрепване на колелатадоп. артикул/доп. инфо. 2: без колесен лагердоп. артикул/доп. инфо. 2: без колесна главинаДължина на опаковка: 29,3смДиаметър на кръговата стъпка Ø: 114,3mmмин. дебелина: 20mmтегло: 5,8kgцентриращ диаметър: 62mmопаковачна широчина: 29,3см
PAGID 55221N заменими

спирачен диск

номер на шаси (VIN): JSAстрана на монтаж: предна осстрана на производство на автомобила: 5брой/разположение на дупките: 05/07вид на спирачния диск: с вътрешно вентилираневисочина: 47mmвисочина на опаковка: 6,5смвъншен диаметър: 280mmвътрешен диаметър: 146mmдебелина на спирачния диск: 22mmØ отверстие за болт на джанта: 12,7mmдоп. артикул/доп. инфо. 2: без болтове за закрепване на колелатадоп. артикул/доп. инфо. 2: без колесен лагердоп. артикул/доп. инфо. 2: без колесна главинаДължина на опаковка: 29,3смДиаметър на кръговата стъпка Ø: 114,3mmмин. дебелина: 20mmтегло: 5,5kgцентриращ диаметър: 62mmопаковачна широчина: 29,3см
PAGID 55223N заменими

спирачен диск

номер на шаси (VIN): JSAстрана на монтаж: задна осстрана на производство на автомобила: 5брой/разположение на дупките: 05/07вид на спирачния диск: плътенвисочина: 43,1mmвисочина на опаковка: 6,5смвъншен диаметър: 278mmвътрешен диаметър: 168mmдебелина на спирачния диск: 9mmØ отверстие за болт на джанта: 12,8mmдоп. артикул/доп. инфо. 2: без болтове за закрепване на колелатадоп. артикул/доп. инфо. 2: без колесен лагердоп. артикул/доп. инфо. 2: без колесна главинаДължина на опаковка: 29,3смДиаметър на кръговата стъпка Ø: 114,3mmмин. дебелина: 8mmтегло: 4,2kgцентриращ диаметър: 62mmопаковачна широчина: 29,3см
PAGID 55253NC заменими

спирачен диск

номер на шаси (VIN): TSMстрана на монтаж: задна осстрана на производство на автомобила: 3брой/разположение на дупките: 05/08вид на спирачния диск: плътенвисочина: 43,3mmвисочина на опаковка: 6,5смвъншен диаметър: 278mmвътрешен диаметър: 169mmдебелина на спирачния диск: 9mmØ отверстие за болт на джанта: 14,2mmдоп. артикул/доп. инфо. 2: без болтове за закрепване на колелатадоп. артикул/доп. инфо. 2: без колесен лагердоп. артикул/доп. инфо. 2: без колесна главинаДължина на опаковка: 29,3смДиаметър на кръговата стъпка Ø: 114,3mmмин. дебелина: 8mmповърхност: с покритиетегло: 4kgцентриращ диаметър: 62mmопаковачна широчина: 29,3см
PILENGA 5813 заменими

спирачен диск

брой на дупките 1: 5брой на дупките 2: 3вид на спирачния диск: плътенвисочина: 43,2mmвъншен диаметър: 278mmвътрешен диаметър: 147mmдебелина на спирачния диск: 9mmмин. дебелина: 8mmстрана на монтаж: задна осцентриращ диаметър: 62mm
PILENGA V028 заменими

спирачен диск

брой на дупките 1: 5брой на дупките 2: 4вид на спирачния диск: вентилиранвисочина: 47mmвъншен диаметър: 280mmвътрешен диаметър: 146,2mmдебелина на спирачния диск: 22mmмин. дебелина: 20mmстрана на монтаж: предна осцентриращ диаметър: 62mm
ProfiPower 3B1070 заменими

спирачен диск

страна на монтаж: предна осброй на дупките: 5вид на спирачния диск: вентилиранвисочина: 47,0mmвъншен диаметър: 280mmдебелина на спирачния диск: 22mmДиаметър на кръговата стъпка Ø: 114,3mmмин. дебелина: 20mmмярка на резбата: 12,7центриращ диаметър: 62,0mm
ProfiPower 3B2232 заменими

спирачен диск

спирачна/динамика на движение: 1страна на монтаж: задна осджанта: 5-дупкивид на спирачния диск: плътенвисочина: 43,4mmвъншен диаметър: 278mmдебелина на спирачния диск: 9mmГлавина Ø: 180mm
QUARO QD1297 заменими

спирачен диск

номер на шаси (VIN): TSMспирачна уредба: 13страна на монтаж: задна осстрана на производство на автомобила: 3брой на дупките: 5вид на спирачния диск: плътенвисочина: 43,3mmвъншен диаметър: 278mmдебелина на спирачния диск: 9mmдоп. артикул/доп. инфо. 2: без болтове за закрепване на колелатадоп. артикул/доп. инфо. 2: без колесна главинаДиаметър на кръговата стъпка Ø: 114mmмин. дебелина: 8mmповърхност: боядисанцентриращ диаметър: 62mm
QUARO QD1777 заменими

спирачен диск

номер на шаси (VIN): TSMстрана на монтаж: предна осстрана на производство на автомобила: 3брой на дупките: 5вид на спирачния диск: с вътрешно вентилираневисочина: 47mmвъншен диаметър: 280mmдебелина на спирачния диск: 22mmдоп. артикул/доп. инфо. 2: без болтове за закрепване на колелатадоп. артикул/доп. инфо. 2: без колесна главинаДиаметър на кръговата стъпка Ø: 114mmмин. дебелина: 20mmцентриращ диаметър: 62mm
QUINTON HAZELL BDC5576 заменими

спирачен диск

страна на монтаж: предна осброй на дупките: 5вид на спирачния диск: вентилиранвисочина: 47mmвъншен диаметър: 280mmдебелина на спирачния диск: 22mmДиаметър на кръговата стъпка Ø: 114mmмин. дебелина: 20mmцентриращ диаметър: 62mm
R BRAKE 78RBD26041 заменими

спирачен диск

страна на монтаж: предна осброй/разположение на дупките: 5вид на спирачния диск: вентилиранвисочина: 47mmвъншен диаметър: 279mmдебелина: 22mmдебелина на спирачния диск: 20mmØ: 62mmконструкция на ос: Frontконтролен знак за преглед: E1 90R-02C0074/0231контролен знак за преглед: E1 90R-02C0370/0015контролен знак за преглед: E1 90R-02C0452/0118Диаметър на кръговата стъпка Ø: 114,3mmмин. дебелина: 20mmтехнически информационен номер: 78BD6041-2центриращ диаметър: 62mm
RAICAM RD01243 заменими

спирачен диск

за OE-номер: 5561155L01джанта: 5-дупкивид на спирачния диск: плътенвисочина: 43,4mmвъншен диаметър: 278mmдебелина на спирачния диск: 9mmмин. дебелина: 8mmстрана на монтаж: задна остегло: 3,9kgудовлетворява нормите на ЕИК: E1центриращ диаметър: 62mm
RAP BRAKES R-D0137 заменими

спирачен диск

брой на дупките: 5вид на спирачния диск: плътенвисочина: 43,3mmвъншен диаметър: 278mmдебелина на спирачния диск: 9mmДиаметър на кръговата стъпка Ø: 114,3mmмин. дебелина: 8mmмярка на резбата: 14.2повърхност: омасленстрана на монтаж: задна осцентриращ диаметър: 62mm
RAP BRAKES R-D0335 заменими

спирачен диск

брой на дупките: 5вид на спирачния диск: вентилиранвисочина: 47mmвъншен диаметър: 280mmдебелина на спирачния диск: 22mmДиаметър на кръговата стъпка Ø: 114,3mmмин. дебелина: 20mmмярка на резбата: 12.7повърхност: омасленстрана на монтаж: предна осцентриращ диаметър: 62mm
RED-LINE 26SZ004 заменими

спирачен диск

брой на дупките: 5вид на спирачния диск: вентилиранвисочина: 47mmвъншен диаметър: 280mmвътрешен диаметър: 62mmдебелина на спирачния диск: 22mmнеобходими бройки: 2страна на монтаж: предна ос
RED-LINE 26SZ026 заменими

спирачен диск

брой на дупките: 5вид на спирачния диск: плътенвисочина: 43,3mmвъншен диаметър: 278mmвътрешен диаметър: 62mmдебелина на спирачния диск: 9mmнеобходими бройки: 2страна на монтаж: задна ос
RIDEX 82B0246 заменими

спирачен диск

номер на шаси (VIN): TSMстрана на монтаж: предна осстрана на производство на автомобила: 3брой/разположение на дупките: 05/09вид на спирачния диск: с вътрешно вентилираневисочина: 47mmвъншен диаметър: 280,0mmвътрешен диаметър: 146mmдебелина на спирачния диск: 22mmОтвор Ø: 12,7mmдоп. артикул/доп. инфо. 2: без болтове за закрепване на колелатадоп. артикул/доп. инфо. 2: без колесна главинаДиаметър на кръговата стъпка Ø: 114,3mmмин. дебелина: 20mmповърхност: без покритиетегло: 5,8kgцентриращ диаметър: 62mm
RIDEX 82B0629 заменими

спирачен диск

спирачна уредба: 13страна на монтаж: на задната ос отлявоброй/разположение на дупките: 5/8вид на спирачния диск: плътенвисочина: 43,4mmвъншен диаметър: 278,0mmвътрешен диаметър: 169mmдебелина на спирачния диск: 9mmГлавина Ø: 179,8mmØ отверстие за болт на джанта: 14,5mmДиаметър на кръговата стъпка Ø: 114,3mmмин. дебелина: 8mmповърхност: без покритиестрана на монтаж: задна осцентриращ диаметър: 62mm
ROTINGER RT 1902 заменими

спирачен диск

брой на дупките: 5брой на дупките 1: 1вид на спирачния диск: плътенвисочина: 43,3mmвъншен диаметър: 278mmвътрешен диаметър: 146,7mmдебелина на спирачния диск: 9mmДиаметър на кръговата стъпка Ø: 114,3mmмин. дебелина: 8mmмярка на резбата: 14,2разстояние между дупките 1: 114,3mmстрана на монтаж: задна остегло: 4,1kgцентриращ диаметър: 62,1mm
ROTINGER RT 1902-GL заменими

спирачен диск

брой на дупките: 5брой на дупките 1: 1вид на спирачния диск: плътенвисочина: 43,3mmвъншен диаметър: 278mmвътрешен диаметър: 146,7mmдебелина на спирачния диск: 9mmДиаметър на кръговата стъпка Ø: 114,3mmмин. дебелина: 8mmмярка на резбата: 14,2повърхност: галванизиранразстояние между дупките 1: 114,3mmстрана на монтаж: задна остегло: 4,1kgцентриращ диаметър: 62,1mm
ROTINGER RT 1902-GL T3 заменими

спирачен диск

брой на дупките: 5брой на дупките 1: 1вид на спирачния диск: перфориранвид на спирачния диск: плътенвисочина: 43,3mmвъншен диаметър: 278mmвътрешен диаметър: 146,7mmдебелина на спирачния диск: 9mmДиаметър на кръговата стъпка Ø: 114,3mmмин. дебелина: 8mmмярка на резбата: 14,2повърхност: галванизиранразстояние между дупките 1: 114,3mmстрана на монтаж: задна остегло: 4,1kgцентриращ диаметър: 62,1mm
ROTINGER RT 1902-GL T5 заменими

спирачен диск

брой на дупките: 5брой на дупките 1: 1вид на спирачния диск: перфориранвид на спирачния диск: плътенвисочина: 43,3mmвъншен диаметър: 278mmвътрешен диаметър: 146,7mmдебелина на спирачния диск: 9mmДиаметър на кръговата стъпка Ø: 114,3mmмин. дебелина: 8mmмярка на резбата: 14,2повърхност: галванизиранразстояние между дупките 1: 114,3mmстрана на монтаж: задна остегло: 4,1kgцентриращ диаметър: 62,1mm
ROTINGER RT 1902-GL T6 заменими

спирачен диск

брой на дупките: 5брой на дупките 1: 1вид на спирачния диск: плътенвисочина: 43,3mmвъншен диаметър: 278mmвътрешен диаметър: 146,7mmдебелина на спирачния диск: 9mmДиаметър на кръговата стъпка Ø: 114,3mmмин. дебелина: 8mmмярка на резбата: 14,2повърхност: галванизиранразстояние между дупките 1: 114,3mmстрана на монтаж: задна остегло: 4,1kgцентриращ диаметър: 62,1mm
ROTINGER RT 1902-GL T9 заменими

спирачен диск

брой на дупките: 5брой на дупките 1: 1вид на спирачния диск: плътенвисочина: 43,3mmвъншен диаметър: 278mmвътрешен диаметър: 146,7mmдебелина на спирачния диск: 9mmДиаметър на кръговата стъпка Ø: 114,3mmмин. дебелина: 8mmмярка на резбата: 14,2повърхност: галванизиранразстояние между дупките 1: 114,3mmстрана на монтаж: задна остегло: 4,1kgцентриращ диаметър: 62,1mm
ROTINGER RT 4517 заменими

спирачен диск

брой на дупките: 5брой на дупките 1: 2вид на спирачния диск: вентилиранвисочина: 47mmвъншен диаметър: 279,8mmвътрешен диаметър: 145,2mmдебелина на спирачния диск: 22mmДиаметър на кръговата стъпка Ø: 114,3mmмин. дебелина: 20,4mmмярка на резбата: 12,7разстояние между дупките 1: 114,3mmстрана на монтаж: предна остегло: 5,6kgцентриращ диаметър: 62mm
ROTINGER RT 4517-GL заменими

спирачен диск

брой на дупките: 5брой на дупките 1: 2вид на спирачния диск: вентилиранвисочина: 47mmвъншен диаметър: 279,8mmвътрешен диаметър: 145,2mmдебелина на спирачния диск: 22mmДиаметър на кръговата стъпка Ø: 114,3mmмин. дебелина: 20,4mmмярка на резбата: 12,7повърхност: галванизиранразстояние между дупките 1: 114,3mmстрана на монтаж: предна остегло: 5,6kgцентриращ диаметър: 62mm
ROTINGER RT 4517-GL T3 заменими

спирачен диск

брой на дупките: 5брой на дупките 1: 2вид на спирачния диск: вентилиранвид на спирачния диск: перфориранвисочина: 47mmвъншен диаметър: 279,8mmвътрешен диаметър: 145,2mmдебелина на спирачния диск: 22mmДиаметър на кръговата стъпка Ø: 114,3mmмин. дебелина: 20,4mmмярка на резбата: 12,7повърхност: галванизиранразстояние между дупките 1: 114,3mmстрана на монтаж: предна остегло: 5,6kgцентриращ диаметър: 62mm
ROTINGER RT 4517-GL T5 заменими

спирачен диск

брой на дупките: 5брой на дупките 1: 2вид на спирачния диск: вентилиранвид на спирачния диск: перфориранвисочина: 47mmвъншен диаметър: 279,8mmвътрешен диаметър: 145,2mmдебелина на спирачния диск: 22mmДиаметър на кръговата стъпка Ø: 114,3mmмин. дебелина: 20,4mmмярка на резбата: 12,7повърхност: галванизиранразстояние между дупките 1: 114,3mmстрана на монтаж: предна остегло: 5,6kgцентриращ диаметър: 62mm
ROTINGER RT 4517-GL T6 заменими

спирачен диск

брой на дупките: 5брой на дупките 1: 2вид на спирачния диск: вентилиранвисочина: 47mmвъншен диаметър: 279,8mmвътрешен диаметър: 145,2mmдебелина на спирачния диск: 22mmДиаметър на кръговата стъпка Ø: 114,3mmмин. дебелина: 20,4mmмярка на резбата: 12,7повърхност: галванизиранразстояние между дупките 1: 114,3mmстрана на монтаж: предна остегло: 5,6kgцентриращ диаметър: 62mm
ROTINGER RT 4517-GL T9 заменими

спирачен диск

брой на дупките: 5брой на дупките 1: 2вид на спирачния диск: вентилиранвисочина: 47mmвъншен диаметър: 279,8mmвътрешен диаметър: 145,2mmдебелина на спирачния диск: 22mmДиаметър на кръговата стъпка Ø: 114,3mmмин. дебелина: 20,4mmмярка на резбата: 12,7повърхност: галванизиранразстояние между дупките 1: 114,3mmстрана на монтаж: предна остегло: 5,6kgцентриращ диаметър: 62mm
SAMKO S5005V заменими

спирачен диск

страна на монтаж: предна осстрана на производство на автомобила: 5брой на дупките: 5вид на спирачния диск: с вътрешно вентилираневисочина: 47mmвъншен диаметър: 280mmдебелина на спирачния диск: 22mmмин. дебелина: 20mmцентриращ диаметър: 62,1mm
SAMKO S5005VR заменими

спирачен диск

страна на монтаж: предна осстрана на производство на автомобила: 5брой на дупките: 5вид на спирачния диск: с вътрешно вентилираневисочина: 47mmвъншен диаметър: 280mmдебелина на спирачния диск: 22mmмин. дебелина: 20mmповърхност: с покритиецентриращ диаметър: 62,1mm
SASIC 6106153 заменими

спирачен диск

дата на производство до: 03/14брой на дупките: 5вид на спирачния диск: вентилиранвисочина: 47mmвъншен диаметър: 280mmдебелина на спирачния диск: 22mmдоп. артикул/доп. инфо. 2: без колесен лагерза OE-номер: 71768306Диаметър на кръговата стъпка Ø: 62mmстрана на монтаж: предна ос
SASIC 6106267 заменими

спирачен диск

дата на производство до: 03/14брой на дупките: 5вид на спирачния диск: плътенвисочина: 43mmвъншен диаметър: 278mmдебелина на спирачния диск: 9mmдоп. артикул/доп. инфо. 2: без колесен лагерза OE-номер: 5561180J11Диаметър на кръговата стъпка Ø: 62mmстрана на монтаж: задна ос
SKF VKBD 80100 V2 заменими

спирачен диск

брой дупки на джанта: 5година на производство от: 200611страна на монтаж: предна осброй на дупките: 4брой на дупките: 5вид на спирачния диск: с вътрешно вентилираневисочина: 46,9mmвъншен диаметър: 280mmдебелина на спирачния диск: 22mmДиаметър на кръговата стъпка Ø: 114,3mmмин. дебелина: 20mmповърхност: с покритиецентриращ диаметър: 62mm
SKF VKBD 90214 S2 заменими

спирачен диск

година на производство от: 200611страна на монтаж: задна осброй на дупките: 3брой на дупките: 5вид на спирачния диск: плътенвисочина: 43,1mmвъншен диаметър: 278mmдебелина на спирачния диск: 9mmДиаметър на кръговата стъпка Ø: 114,3mmмин. дебелина: 8mmповърхност: с покритиецентриращ диаметър: 62mm
SRLine S71-0522 заменими

спирачен диск

страна на монтаж: предна осброй на дупките: 5вид на спирачния диск: вентилиранвисочина: 47mmвъншен диаметър: 280mmдебелина на спирачния диск: 22mmдоп. артикул/доп. инфо. 2: без колесен лагердоп. артикул/доп. инфо. 2: без сензорен пръстен за ABSконтролен знак за преглед: NOмин. дебелина: 20mmпреработка: необработенцентриращ диаметър: 62mm
Stark SKBD-0020251 заменими

спирачен диск

номер на шаси (VIN): TSMстрана на монтаж: предна осстрана на производство на автомобила: 3брой/разположение на дупките: 05/09вид на спирачния диск: с вътрешно вентилираневисочина: 47mmвъншен диаметър: 280,0mmвътрешен диаметър: 146mmдебелина на спирачния диск: 22mmОтвор Ø: 12,7mmдоп. артикул/доп. инфо. 2: без болтове за закрепване на колелатадоп. артикул/доп. инфо. 2: без колесна главинаДиаметър на кръговата стъпка Ø: 114,3mmмин. дебелина: 20mmповърхност: без покритиетегло: 5,8kgцентриращ диаметър: 62mm
Stark SKBD-0022576 заменими

спирачен диск

спирачна уредба: 13страна на монтаж: на задната ос отлявоброй/разположение на дупките: 5/8вид на спирачния диск: плътенвисочина: 43,4mmвъншен диаметър: 278,0mmвътрешен диаметър: 169mmдебелина на спирачния диск: 9mmГлавина Ø: 179,8mmØ отверстие за болт на джанта: 14,5mmДиаметър на кръговата стъпка Ø: 114,3mmмин. дебелина: 8mmповърхност: без покритиестрана на монтаж: задна осцентриращ диаметър: 62mm
STELLOX 6020-1117VK-SX заменими

спирачен диск

вид на спирачния диск: вентилиранвъншен диаметър: 280mmдебелина на спирачния диск: 22mmстрана на монтаж: предна ос
STELLOX 6020-1117V-SX заменими

спирачен диск

брой на дупките: 5вид на спирачния диск: вентилиранвисочина: 47mmвъншен диаметър: 280mmвътрешен диаметър: 146,3mmдебелина на спирачния диск: 22mmдоп. артикул/доп. инфо. 2: с винтовеДиаметър на кръговата стъпка Ø: 12,7mmмин. дебелина: 20mmповърхност: с покритиестрана на монтаж: предна осцентриращ диаметър: 62mm
STELLOX 6020-1720-SX заменими

спирачен диск

брой на дупките: 5вид на спирачния диск: плътенвисочина: 43,3mmвъншен диаметър: 278mmдебелина на спирачния диск: 9mmмин. дебелина: 8mmстрана на монтаж: задна осцентриращ диаметър: 62mm
STELLOX 6020-9952K-SX заменими

спирачен диск

вид на спирачния диск: плътенвъншен диаметър: 277mmдебелина на спирачния диск: 24mmстрана на монтаж: предна ос
SWAG 33 10 2522 заменими

спирачен диск

джанта: 5-дупкиброй на дупките за закрепване: 3вид на спирачния диск: плътенвъншен диаметър: 278mmдебелина: 43mmдебелина на спирачния диск: 9mmза OE-номер: 55611-55L01Диаметър на кръговата стъпка Ø: 114,3mmмин. дебелина: 8mmповърхност: с покритиестрана на монтаж: задна осцентриращ диаметър: 62mm
SWAG 84 92 9310 заменими

спирачен диск

джанта: 5-дупкиброй на дупките за закрепване: 2вид на спирачния диск: с вътрешно вентилираневъншен диаметър: 280mmдебелина: 47mmдебелина на спирачния диск: 22mmДиаметър на кръговата стъпка Ø: 114,3mmмин. дебелина: 20mmповърхност: с покритиестрана на монтаж: предна осцентриращ диаметър: 62mm
TATSUMI TCC1128 заменими

спирачен диск

брой на дупките за закрепване: 5вид на спирачния диск: с вътрешно вентилираневисочина: 47mmвъншен диаметър: 280mmдебелина на спирачния диск: 22mmстрана на монтаж: предна осцентриращ диаметър: 62mm
TATSUMI TCC1243 заменими

спирачен диск

вид на спирачния диск: плътенвъншен диаметър: 278mmдебелина на спирачния диск: 9mmстрана на монтаж: задна ос
TEXTAR 92156600 заменими

спирачен диск

номер на шаси (VIN): TSMстрана на монтаж: предна осстрана на производство на автомобила: 3брой/разположение на дупките: 05/09вид на спирачния диск: с вътрешно вентилираневисочина: 47mmвисочина на опаковка: 12,7смвъншен диаметър: 280mmвътрешен диаметър: 146,2mmдебелина на спирачния диск: 22mmØ отверстие за болт на джанта: 12,7mmдоп. артикул/доп. инфо. 2: без болтове за закрепване на колелатадоп. артикул/доп. инфо. 2: без колесен лагердоп. артикул/доп. инфо. 2: без колесна главинаДължина на опаковка: 30,8смДиаметър на кръговата стъпка Ø: 114,3mmмин. дебелина: 20mmтегло: 5,8kgцентриращ диаметър: 62mmопаковачна широчина: 30,8см
TEXTAR 92222100 заменими

спирачен диск

номер на шаси (VIN): JSAстрана на монтаж: предна осстрана на производство на автомобила: 5брой/разположение на дупките: 05/07вид на спирачния диск: с вътрешно вентилираневисочина: 47mmвисочина на опаковка: 12,7смвъншен диаметър: 280mmвътрешен диаметър: 146mmдебелина на спирачния диск: 22mmØ отверстие за болт на джанта: 12,7mmдоп. артикул/доп. инфо. 2: без болтове за закрепване на колелатадоп. артикул/доп. инфо. 2: без колесен лагердоп. артикул/доп. инфо. 2: без колесна главинаДължина на опаковка: 30,8смДиаметър на кръговата стъпка Ø: 114,3mmмин. дебелина: 20mmтегло: 5,5kgцентриращ диаметър: 62mmопаковачна широчина: 30,8см
TEXTAR 92222300 заменими

спирачен диск

номер на шаси (VIN): JSAстрана на монтаж: задна осстрана на производство на автомобила: 5брой/разположение на дупките: 05/07вид на спирачния диск: плътенвисочина: 43,1mmвисочина на опаковка: 10,5смвъншен диаметър: 278mmвътрешен диаметър: 168mmдебелина на спирачния диск: 9mmØ отверстие за болт на джанта: 12,8mmдоп. артикул/доп. инфо. 2: без болтове за закрепване на колелатадоп. артикул/доп. инфо. 2: без колесен лагердоп. артикул/доп. инфо. 2: без колесна главинаДължина на опаковка: 29,3смДиаметър на кръговата стъпка Ø: 114,3mmмин. дебелина: 8mmтегло: 4,2kgцентриращ диаметър: 62mmопаковачна широчина: 29,3см
TEXTAR 92225303 заменими

спирачен диск

номер на шаси (VIN): TSMстрана на монтаж: задна осстрана на производство на автомобила: 3брой/разположение на дупките: 05/08вид на спирачния диск: плътенвисочина: 43,3mmвисочина на опаковка: 10,5смвъншен диаметър: 278mmвътрешен диаметър: 169mmдебелина на спирачния диск: 9mmØ отверстие за болт на джанта: 14,2mmдоп. артикул/доп. инфо. 2: без болтове за закрепване на колелатадоп. артикул/доп. инфо. 2: без колесен лагердоп. артикул/доп. инфо. 2: без колесна главинаДължина на опаковка: 29,3смДиаметър на кръговата стъпка Ø: 114,3mmмин. дебелина: 8mmповърхност: с покритиетегло: 4kgцентриращ диаметър: 62mmопаковачна широчина: 29,3см
TOMEX Brakes TX 72-73 заменими

спирачен диск

номер на шаси (VIN): TSMстрана на производство на автомобила: 3брой на дупките: 5вид на спирачния диск: вентилиранвисочина: 47mmвъншен диаметър: 280mmдебелина на спирачния диск: 22mmДиаметър на кръговата стъпка Ø: 114,3mmмин. дебелина: 20mmповърхност: боядисанстрана на монтаж: предна остегло: 15,7kgцентриращ диаметър: 62mm
TRISCAN 8120 69119C заменими

спирачен диск

страна на монтаж: предна осброй на дупките: 5вид на спирачния диск: вентилиранвисочина: 47mmвъншен диаметър: 280mmдебелина на спирачния диск: 22mmмин. дебелина: 20mmцентриращ диаметър: 62mm
TRISCAN 8120 69126C заменими

спирачен диск

страна на монтаж: задна осброй на дупките: 5вид на спирачния диск: плътенвисочина: 43,4mmвъншен диаметър: 278mmдебелина на спирачния диск: 9mmмин. дебелина: 8mmповърхност: с покритиецентриращ диаметър: 62mm
TRUSTING DF1223 заменими

спирачен диск

страна на монтаж: предна осстрана на производство на автомобила: 3брой на дупките: 5вид на спирачния диск: вентилиранвисочина: 47,0mmвъншен диаметър: 280,0mmдебелина на спирачния диск: 22,0mmконтролен знак за преглед: ECE-R90повърхност: боядисанцентриращ диаметър: 62,0mm
TRUSTING DF1438 заменими

спирачен диск

страна на монтаж: задна осброй на дупките: 5вид на спирачния диск: плътенвисочина: 43,0mmвъншен диаметър: 278,0mmдебелина на спирачния диск: 9,0mmконтролен знак за преглед: ECE-R90повърхност: боядисанцентриращ диаметър: 62,0mm
TRW DF4741 заменими

спирачен диск

страна на монтаж: предна осброй на дупките: 5вид на спирачния диск: вентилиранвисочина: 47mmвъншен диаметър: 280mmдебелина на спирачния диск: 22mmцентриращ диаметър: 62mm
TRW DF6178 заменими

спирачен диск

страна на монтаж: задна осброй на дупките: 5вид на спирачния диск: плътенвисочина: 43,3mmвъншен диаметър: 278mmдебелина на спирачния диск: 9mmцентриращ диаметър: 62mm
VAICO V24-80023 заменими

спирачен диск

джанта: 5-дупкивид на спирачния диск: вентилиранвисочина: 47mmВисочина главина спирачен диск: 25mmвъншен диаметър: 280mmдебелина на спирачния диск: 22mmДиаметър на кръговата стъпка Ø: 114,3mmмин. дебелина: 20mmстрана на монтаж: предна осцентриращ диаметър: 62mm
VALEO 197135 заменими

спирачен диск

джанта: 5-дупкиброй на дупките 1: 2брой на дупките за закрепване: 2вид на спирачния диск: вентилиранвисочина: 47mmвъншен диаметър: 280mmдебелина на спирачния диск: 22mmдоп. артикул/доп. инфо. 2: без интегриран колесен лагердоп. артикул/доп. инфо. 2: без сензорен пръстен за ABSмин. дебелина: 20mmстрана на монтаж: предна остегло: 11,97kgцентриращ диаметър: 62mm
VALEO 197600 заменими

спирачен диск

джанта: 5-дупкиброй на дупките 1: 1брой на дупките за закрепване: 2вид на спирачния диск: плътенвисочина: 43,3mmвъншен диаметър: 278mmдебелина на спирачния диск: 9mmдоп. артикул/доп. инфо. 2: с винтконтролен знак за преглед: ECE-R90мин. дебелина: 8mmстрана на монтаж: задна остегло: 8,43kgцентриращ диаметър: 62mm
VALEO 673004 заменими

спирачен диск

джанта: 5-дупкиброй на дупките 1: 1брой на дупките за закрепване: 2вид на спирачния диск: плътенвисочина: 43,3mmвъншен диаметър: 278mmдебелина на спирачния диск: 9mmдоп. артикул/доп. инфо. 2: без интегриран колесен лагердоп. артикул/доп. инфо. 2: без сензорен пръстен за ABSконтролен знак за преглед: ECE-R90мин. дебелина: 8mmповърхност: с покритиестрана на монтаж: задна остегло: 8,51kgцентриращ диаметър: 62mm
ZentParts Z06054 заменими

спирачен диск

брой на дупките: 5вид на спирачния диск: вентилиранвисочина: 47mmвъншен диаметър: 280mmвътрешен диаметър: 146,3mmдебелина на спирачния диск: 22mmдоп. артикул/доп. инфо. 2: с винтовеДиаметър на кръговата стъпка Ø: 12,7mmмин. дебелина: 20mmповърхност: с покритиестрана на монтаж: предна осцентриращ диаметър: 62mm
ZentParts Z06425 заменими

спирачен диск

брой на дупките: 5вид на спирачния диск: плътенвисочина: 43,3mmвъншен диаметър: 278mmдебелина на спирачния диск: 9mmмин. дебелина: 8mmстрана на монтаж: задна осцентриращ диаметър: 62mm
ZIMMERMANN 230.2378.20 заменими

спирачен диск

джанта: 5-дупкиброй/разположение на дупките: 9/5вид на спирачния диск: с вътрешно вентилираневисочина: 47mmвъншен диаметър: 280mmдебелина на спирачния диск: 22mmконтролен знак за преглед: ECE R90 APPROVEDДиаметър на кръговата стъпка Ø: 114mmмин. дебелина: 20mmповърхност: с покритиестрана на монтаж: предна остегло: 5,80kgцентриращ диаметър: 62mm

Няма намерени резултати!